Toa TS-D1100-MU handleiding
Handleiding
Je bekijkt pagina 7 van 52

7
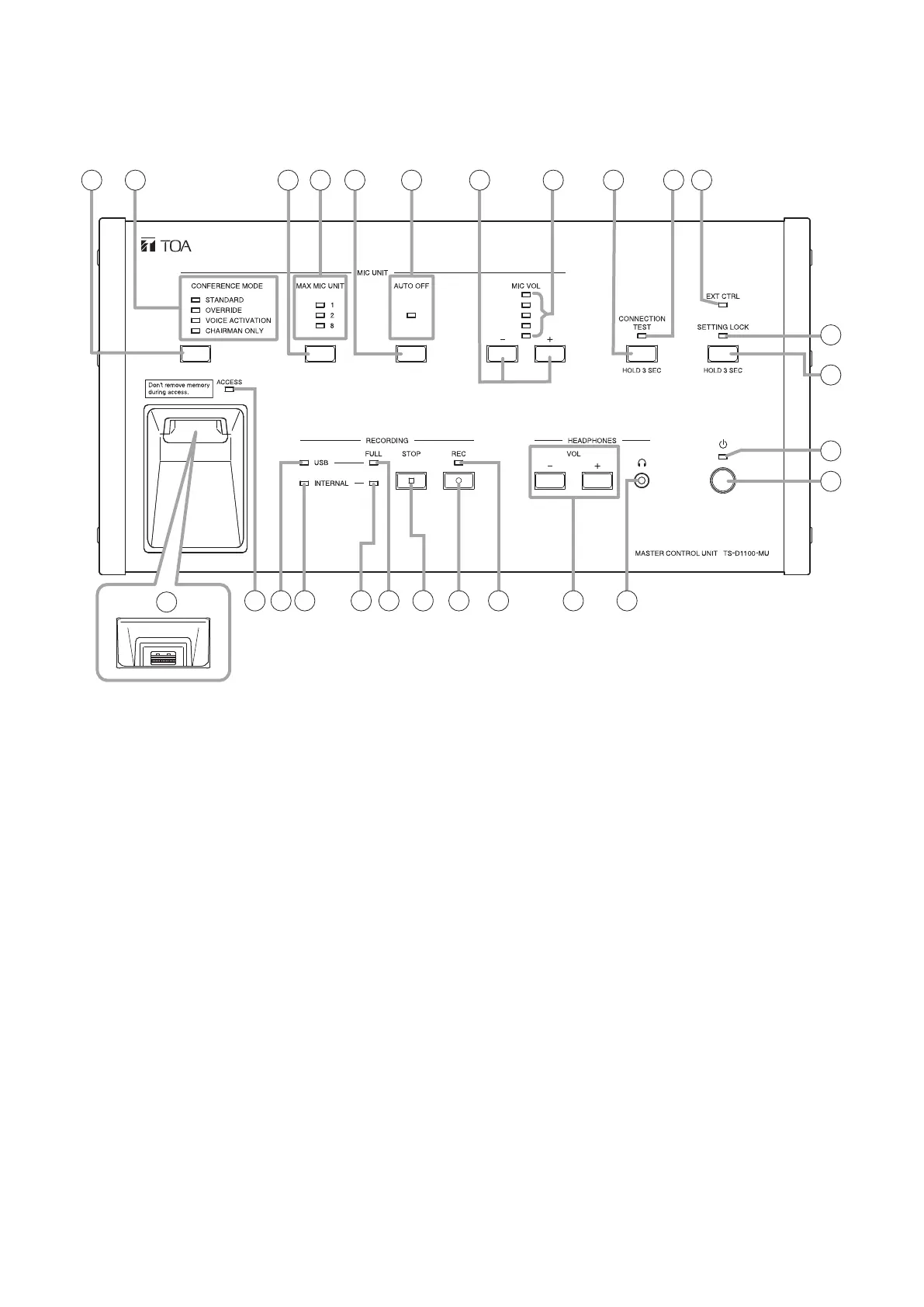
5. NOMENCLATURE AND FUNCTIONS
5.1. TS-D1100-MU Master Control Unit
[Top]
3 4
5 6
7 8
13
1
14
15
21
22
23
2
24 25 2619
20
17
10
9
11
12
18
16
1. Power switch (For 24 V DC)
Press this switch to turn the Power ON. Press the
switch again to switch the power OFF.
Tip
When Switch 1 of the Function Setting Switch (31)
is switched ON, if connected devices (including
Conference Units) are not operated for a period
of two hours or more, the power will automatically
turn OFF. However, when recording or speech
operations are in progress, the power turns o two
hours after such operations are terminated.
2. Power indicator (White)
Lights when power is turned ON.
3. Conference mode selector key
Used to select one of the following four conference
modes when a Conference unit’s Talk key is
pressed and the allowable number of speaking
Delegate units is exceeded:
• Standard (factory default setting)
• Override
• Voice activation
• Chairman only
Note
Refer to "Conference Mode Setting" on p. 36 for
details regarding each conference mode.
4. Conference mode indicators (Green)
The indicator corresponding to the selected by
conference mode selector key (3) lights.
5. Max. open mic No. setting key
Used to set the number of units that can be used
simultaneously. Max. open mic No. indicators (6)
1, 2 and 8 show the total number of Delegate and
Microphone units who can simultaneously speak.
(See "Max. Open Mic No. Setting" on p. 37.)
6. Max. open mic No. indicators (Green)
The indicator that corresponds to the number of
speaking parties (selected with the Max. open mic
No. setting key) (5) lights.
All indicators light when the Max. open mic No. is
set to between 3 and 7 using the browser.
All indicators remain unlit when Voice activation
or Chairman only modes are selected using the
Conference mode selector key (3).
Bekijk gratis de handleiding van Toa TS-D1100-MU, stel vragen en lees de antwoorden op veelvoorkomende problemen, of gebruik onze assistent om sneller informatie in de handleiding te vinden of uitleg te krijgen over specifieke functies.
Productinformatie
| Merk | Toa |
| Model | TS-D1100-MU |
| Categorie | Niet gecategoriseerd |
| Taal | Nederlands |
| Grootte | 5846 MB |







