Toa RM-300MF handleiding
Handleiding
Je bekijkt pagina 8 van 150

8
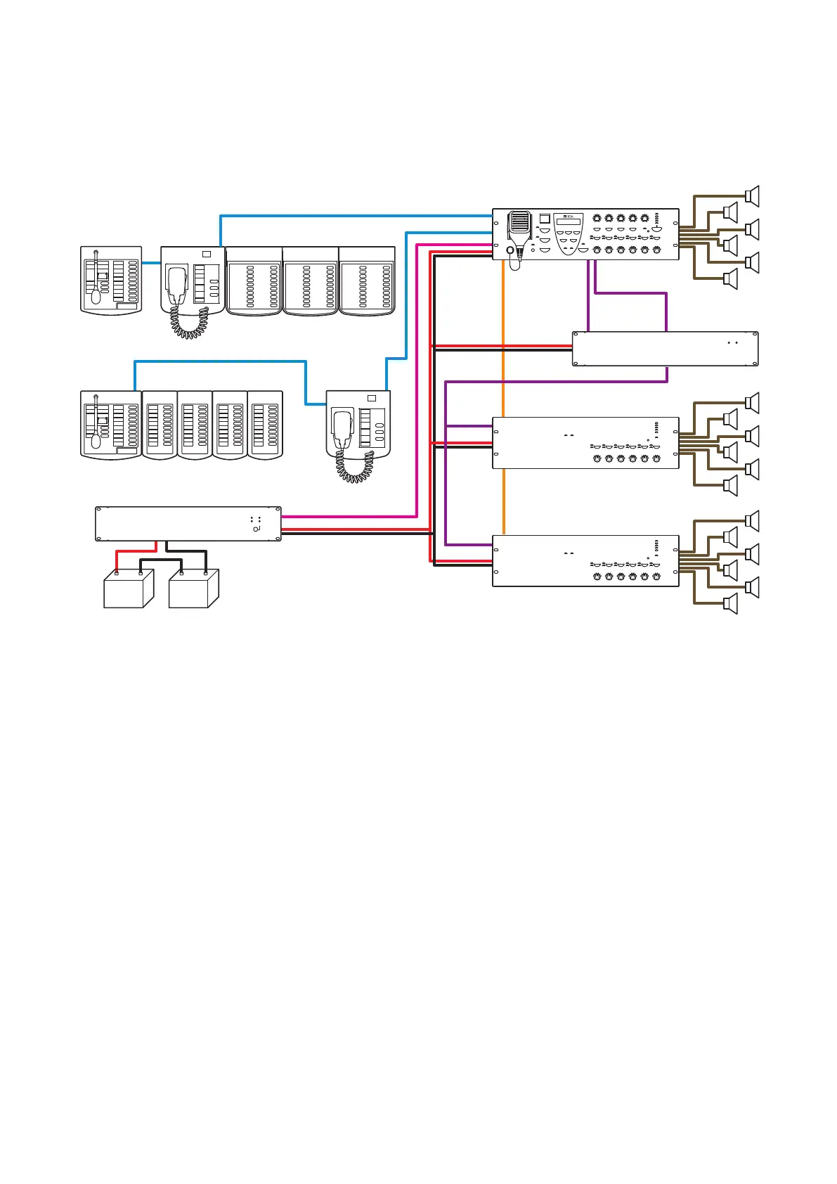
3.2. System Example 2
A standby amplifier is connected to this system, which is ideal for installation in factories and schools.
[System outline]
• A720Wintegrated1-channelemergency/generalbroadcastsystemwith18outputs.
• A VP-2241standby amplier is connected to the system. If the Voice Alarm System Amplier should fail
duringageneraloremergencybroadcast,itisautomaticallyswitchedtothestandbyamplier,allowingthe
broadcast to continue uninterrupted.
• Emergency broadcasts can be made even during power failures if the VX-2000DS Emergency Power Supply
isconnected.However,generalbroadcastsarenotpossible.
RM-300MF RM-320F
RM-300MF
Lead-acid Battery
VX-2000DS
VM-3240E
VM-3240E
RM-200M
RM-200M RM-210
VM-3240VA
VP-2241
EXT. AMP INPUT
EXT. AMP
INPUT
EXT. AMP
INPUT
EXT. PA LINK
DC POWER
VM LINK
RM LINK 1
RM LINK 2
DC POWER
DS LINK
VM LINK
PA OUT
PA OUT
Bekijk gratis de handleiding van Toa RM-300MF, stel vragen en lees de antwoorden op veelvoorkomende problemen, of gebruik onze assistent om sneller informatie in de handleiding te vinden of uitleg te krijgen over specifieke functies.
Productinformatie
| Merk | Toa |
| Model | RM-300MF |
| Categorie | Niet gecategoriseerd |
| Taal | Nederlands |
| Grootte | 19502 MB |
Caratteristiche Prodotto
| Gewicht | 1100 g |
| Breedte | 200 mm |
| Diepte | 82.5 mm |
| Hoogte | 215 mm |
| Kleur behuizing | Wit |







