Handleiding
Je bekijkt pagina 6 van 19

3
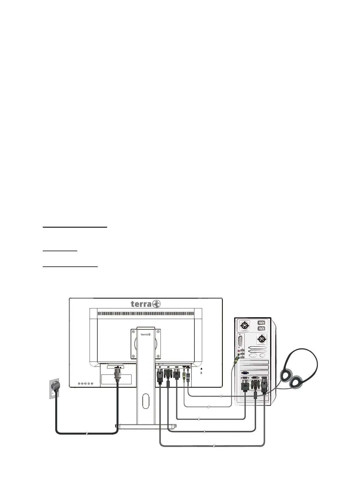
Installation
1. Anschließen des DisplayPort-Kabel zur digitalen Signalübertragung
Vergewissern Sie sich, dass sowohl der Monitor als auch der Computer abgeschaltet
sind. Schließen Sie das DisplayPort-Kabel am DisplayPort-Ausgang des Computers
und am DisplayPort-Eingang des Bildschirms an.
Oder schließen Sie das HDMI–Kabel an (*Optional)
Schließen Sie das HDMI-Kabel am HDMI-Ausgang des Computers und am
HDMI-Eingang des Bildschirms an.
Oder schließen Sie ein DVI-Kabel an (*Optional)
Schließen Sie das DVI-Kabel am DVI-Ausgang des Computers und am
DVI-Eingang des Bildschirms an.
2. Anschließen des Netzkabels
Verbinden Sie das Netzkabel mit einer geeigneten, geerdeten Wechselstromquelle und
danach mit dem Monitor.
3. Anschließen des Audiokabels
Schließen Sie das Audiokabel am Audioausgang (Line Out) des Computers und am
Audioeingang des Monitors an. Dies ist jedoch nur notwendig, wenn der Ton nicht digital
übertragen wird.
4. Schließen Sie den Kopfhörer an (nicht mitgeliefert)
Schließen Sie den Kopfhörer am Kopfhörerausgang des Monitors an. (Kopfhörer
separat erhältlich).
5. Einschalten von Computer und Monitor
Schalten Sie den Computer ein und schalten Sie danach den Monitor ein.
6. Windows-Benutzer: Einstellen des Timing-Modus (Auflösung und
Bildwiederholrate)
Empfohlen: 1920 x 1080 @ 75 Hz
Auflösung: Rechtsklicken Sie auf den Windows-Desktop > „Bildschirmauflösung“.
Stellen Sie die Auflösung ein.
Bildwiederholrate (vertikale Frequenz): Informationen dazu finden Sie im
Benutzerhandbuch Ihrer Grafikkarte.
Beispiel :
Netzkabel
Audiokabel
DVI-kabel
DisplayPort-kabel
Kopfhörer
PC
HDMI-kabel
Bekijk gratis de handleiding van Terra 2756W PV, stel vragen en lees de antwoorden op veelvoorkomende problemen, of gebruik onze assistent om sneller informatie in de handleiding te vinden of uitleg te krijgen over specifieke functies.
Productinformatie
| Merk | Terra |
| Model | 2756W PV |
| Categorie | Monitor |
| Taal | Nederlands |
| Grootte | 2205 MB |







