Telycam Vision+ SE handleiding

57 pagina's
PDF beschikbaar

Handleiding

Je bekijkt pagina 11 van 57
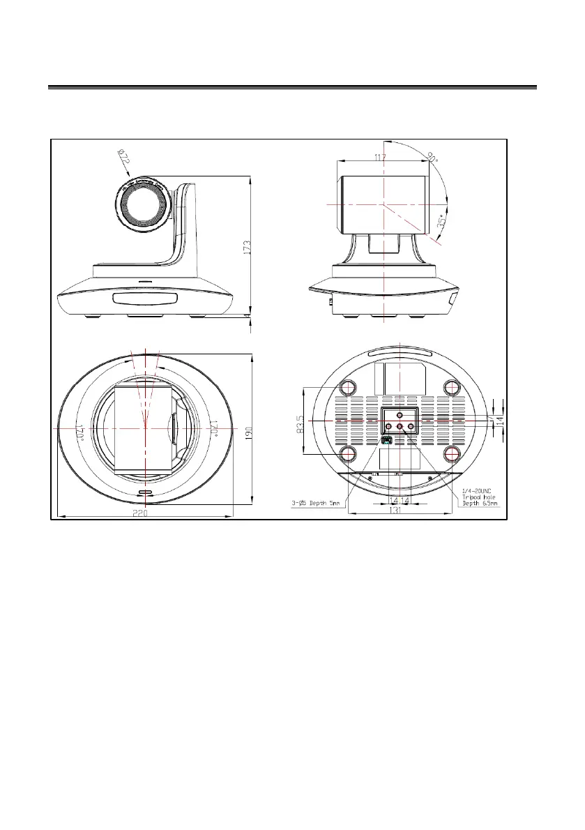
〓〓〓〓 CAMERA DIMENSION 〓〓〓〓
— 10

Bekijk gratis de handleiding van Telycam Vision+ SE, stel vragen en lees de antwoorden op veelvoorkomende problemen, of gebruik onze assistent om sneller informatie in de handleiding te vinden of uitleg te krijgen over specifieke functies.

Productinformatie

MerkTelycam
ModelVision+ SE
CategorieBewakingscamera
TaalNederlands
Grootte7607 MB