TCL TAC-09CSD/XAC1 handleiding

48 pagina's
PDF beschikbaar

Handleiding

Je bekijkt pagina 7 van 48
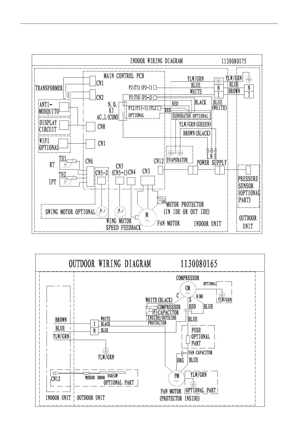
TCL Air Conditioner Service Manual
7
MODELTAC-18CSD/XAB1
INDOOR UINT:
OUTDOOR UINT:

Bekijk gratis de handleiding van TCL TAC-09CSD/XAC1, stel vragen en lees de antwoorden op veelvoorkomende problemen, of gebruik onze assistent om sneller informatie in de handleiding te vinden of uitleg te krijgen over specifieke functies.

Productinformatie

MerkTCL
ModelTAC-09CSD/XAC1
CategorieAirco
TaalNederlands
Grootte7591 MB