Summit SEH1524SSADA handleiding

24 pagina's
PDF beschikbaar

Handleiding

Je bekijkt pagina 23 van 24
22
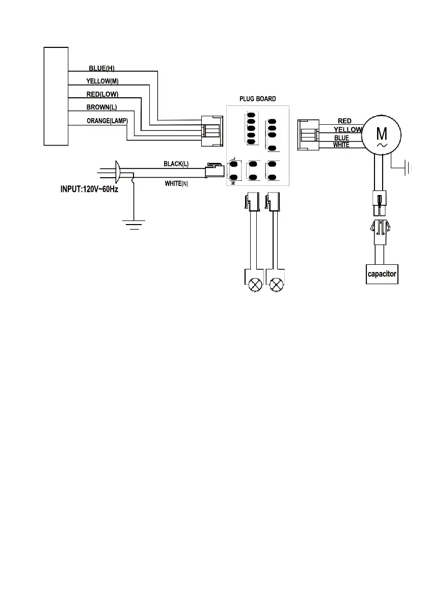
WIRING DIAGRAM
Motor:300W
LED
lamp:2*5W
SWITCH
SWITC
POWER
BLACK(L)
WHITE
(N)
BLACK(L)
WHITE
(N)
LAMP
MOTO
GRAY
BLACK

Bekijk gratis de handleiding van Summit SEH1524SSADA, stel vragen en lees de antwoorden op veelvoorkomende problemen, of gebruik onze assistent om sneller informatie in de handleiding te vinden of uitleg te krijgen over specifieke functies.

Productinformatie

MerkSummit
ModelSEH1524SSADA
CategorieAfzuigkap
TaalNederlands
Grootte2238 MB