Stinger Horizon 12 SRX-GM14128 handleiding
Handleiding
Je bekijkt pagina 3 van 18

SRX-GM14128
Radio Replacement Kit for select
2014-2019 Silverado/Sierra Trucks
Stinger ix212
HORIZON12
© 2025 Stinger
Page 3
Rev: v1
Date:051325
GPS
USB1USBC
USB2
STINGER
HDMI BLACK
26PIN
16PIN
GPS
ANT
Stinger ix212
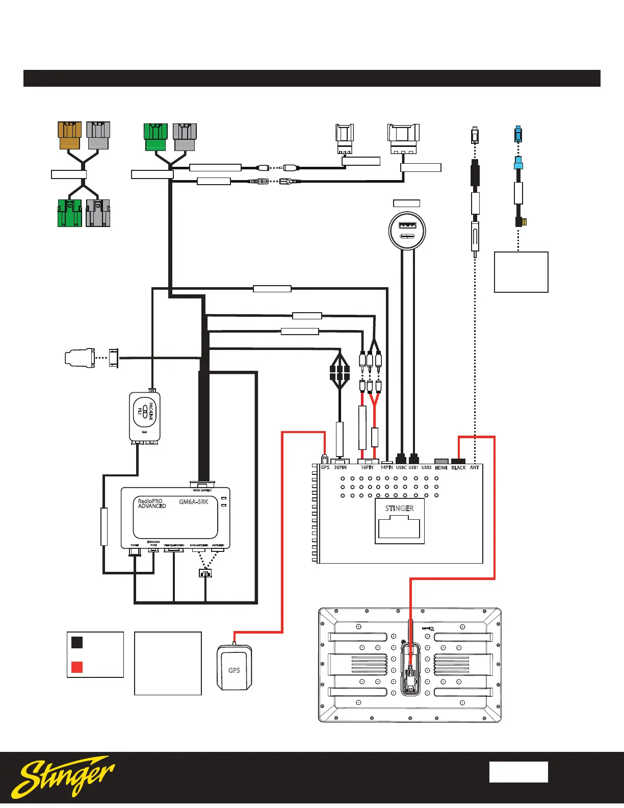
Connections
SR-GM14128
Connections
Connections shown are
all required for full
functionality of the kit
and radio. If adding
additional components,
additional connections
will be needed.
Connects to
SXV300 Satellite
Radio Tuner
(sold separately)
SSUSB3
RPA-VA1
REVERSE CAM IN
A/V IN
REVERSE CAM
AUX Audio
CAM GM51 INPUT
SWC INPUT
GM52-ADAPT SRK-GM14HX-HAR
CAM-GM51-HAR
GM5LIN-SW-HAR
26 Pin Radio
BAA22
SAT-01
GM6A-SRK
RadioPRO
ADVANCED
AMPLIFIEDNON-AMPLIFIEDVEHICLE HARNESS
EXPANSION
PORT
POWER
RADIO HARNESS
PAC-LINK
PL1
10P-2-10P-6
PAC Link (PL1)
14PIN
Wiring Overview
Bekijk gratis de handleiding van Stinger Horizon 12 SRX-GM14128, stel vragen en lees de antwoorden op veelvoorkomende problemen, of gebruik onze assistent om sneller informatie in de handleiding te vinden of uitleg te krijgen over specifieke functies.
Productinformatie
Merk | Stinger |
Model | Horizon 12 SRX-GM14128 |
Categorie | Niet gecategoriseerd |
Taal | Nederlands |
Grootte | 14457 MB |