Stiebel Eltron PM-G 3 handleiding
Handleiding
Je bekijkt pagina 21 van 88

INSTALLATION
Elektroschaltplan
PM-U / PM-G | 21
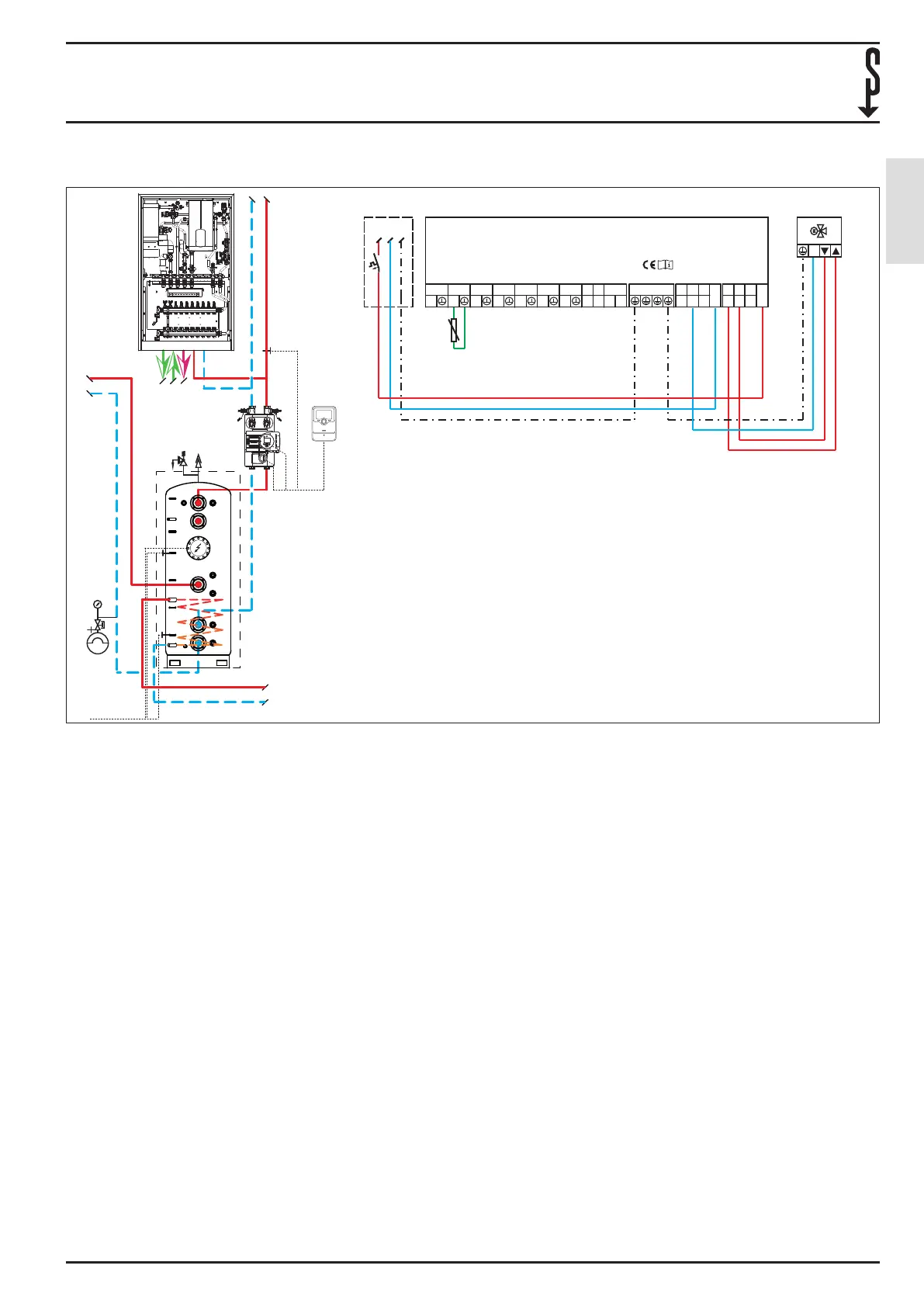
13. Elektroschaltplan
N PEL
N
230 V / 16A
PT 1000
R4 R4
8 10
0-10V
7
9
VBus
11
PWM
6
SEHC
IP20
S5
5
S4
4
S3
3
S2
2
S1
1
L
L
R1
L
L
R3
R2
PE
N
N N
R3 R2 R1
N
T4A
100-240 V
50-60 Hz
1.4
1.8
R2/3
S2
V
IV
D0000101622
DEUTSCH
350769-45014-9773_PM-U1-3_G1-3_de_fr_it_nl.indb 21350769-45014-9773_PM-U1-3_G1-3_de_fr_it_nl.indb 21 14.12.2022 14:57:3414.12.2022 14:57:34
Bekijk gratis de handleiding van Stiebel Eltron PM-G 3, stel vragen en lees de antwoorden op veelvoorkomende problemen, of gebruik onze assistent om sneller informatie in de handleiding te vinden of uitleg te krijgen over specifieke functies.
Productinformatie
| Merk | Stiebel Eltron |
| Model | PM-G 3 |
| Categorie | Niet gecategoriseerd |
| Taal | Nederlands |
| Grootte | 14166 MB |







