Stiebel Eltron PM-G 2 handleiding
Handleiding
Je bekijkt pagina 57 van 88

INSTALLAZIONE
Dati tecnici
PM-U / PM-G | 57
ITALIANO
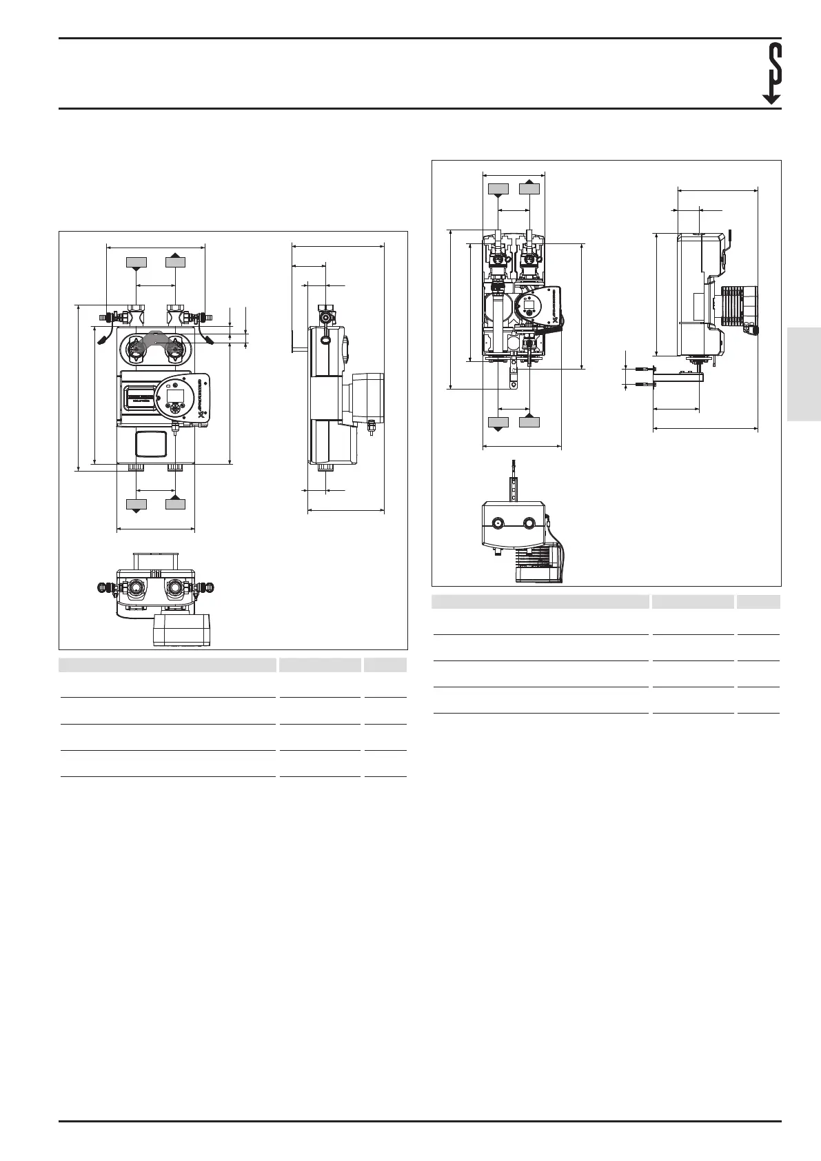
12. Dati tecnici
12.1 Misure e allacciamenti
PM-U 1
531
441
125
125
244
109
58
58
296
250
314
d30
d34
d29
d33
27,5
25
389
D0000102200
PM-U 1
d29 Scambiatore calore mandata Filettatura fem-
mina
G 1 1/4
d30 Scambiatore calore ritorno Filettatura fem-
mina
G 1 1/4
d33 Generatore calore mandata Filettatura fem-
mina
G 1 1/4
d34 Generatore calore ritorno Filettatura fem-
mina
G 1 1/4
PM-U 2
412
320
110
537
78
235
817
402
626
603
160
642
160
d30
d34
d29
d33
D0000102243
PM-U 2
d29 Scambiatore calore mandata Filettatura fem-
mina
G 1 1/2
d30 Scambiatore calore ritorno Filettatura fem-
mina
G 1 1/2
d33 Generatore calore mandata Filettatura fem-
mina
G 1 1/2
d34 Generatore calore ritorno Filettatura fem-
mina
G 1 1/2
350769-45014-9773_PM-U1-3_G1-3_de_fr_it_nl.indb 57350769-45014-9773_PM-U1-3_G1-3_de_fr_it_nl.indb 57 14.12.2022 15:00:5514.12.2022 15:00:55
Bekijk gratis de handleiding van Stiebel Eltron PM-G 2, stel vragen en lees de antwoorden op veelvoorkomende problemen, of gebruik onze assistent om sneller informatie in de handleiding te vinden of uitleg te krijgen over specifieke functies.
Productinformatie
| Merk | Stiebel Eltron |
| Model | PM-G 2 |
| Categorie | Niet gecategoriseerd |
| Taal | Nederlands |
| Grootte | 14166 MB |







