Sony HKCU1003 handleiding
Handleiding
Je bekijkt pagina 42 van 66

42
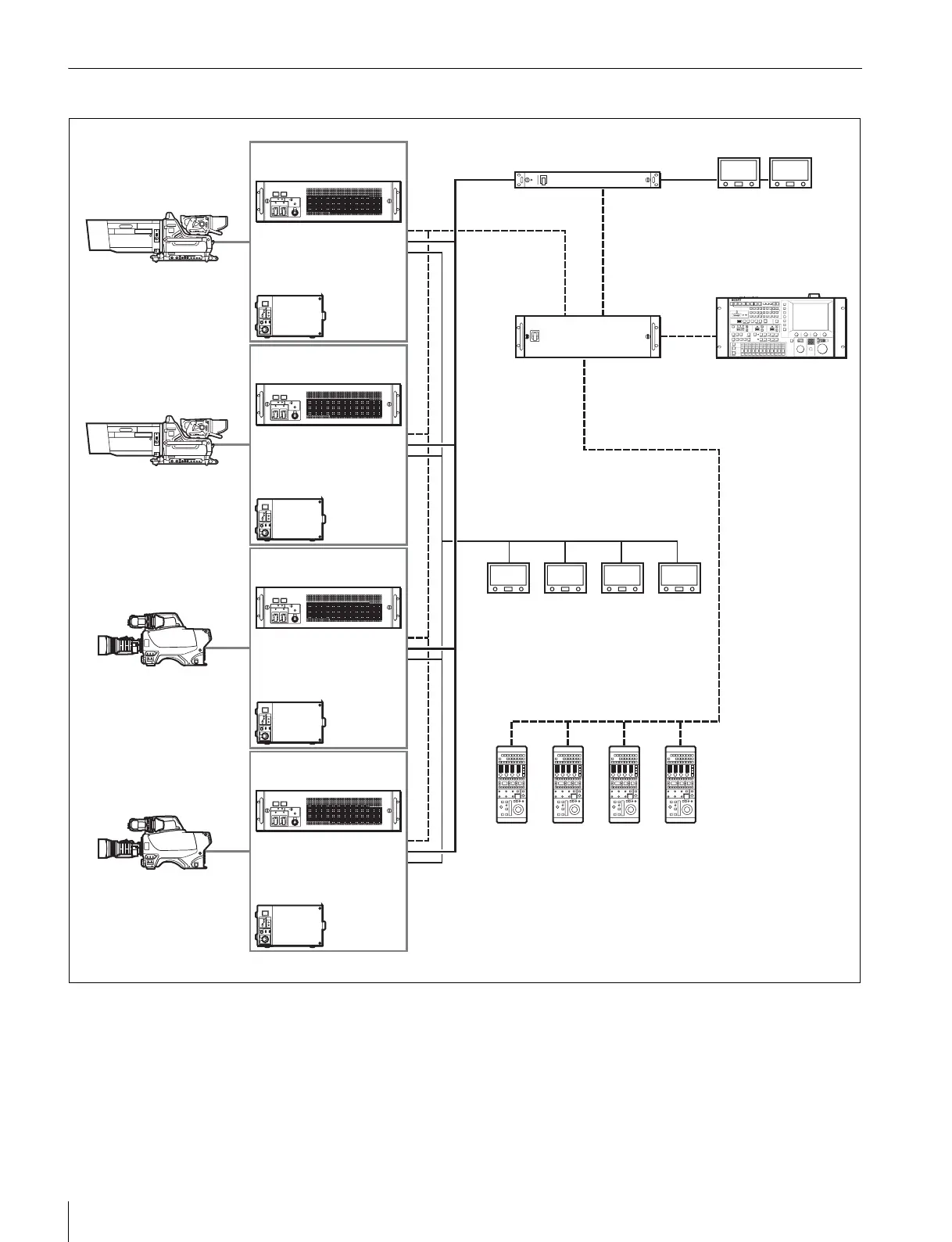
System Configuration
SD Signal System
HDCU1000
+ HKCU1001/HKCU1003
HDCU1500
+ HKCU1001/HKCU1003
HDC1000/1000R
HDC1000/1000R
HDC1500/1500R
HDC1500/1500R
VCS-700
CNU-700
MSU-900 series
RCP series
HDCU1000
+ HKCU1001/HKCU1003
HDCU1000
+ HKCU1001/HKCU1003
HDCU1000
+ HKCU1001/HKCU1003
PIX/WF
SD-SDI
or
HDCU1500
+ HKCU1001/HKCU1003
or
HDCU1500
+ HKCU1001/HKCU1003
or
HDCU1500
+ HKCU1001/HKCU1003
or
Bekijk gratis de handleiding van Sony HKCU1003, stel vragen en lees de antwoorden op veelvoorkomende problemen, of gebruik onze assistent om sneller informatie in de handleiding te vinden of uitleg te krijgen over specifieke functies.
Productinformatie
Merk | Sony |
Model | HKCU1003 |
Categorie | Niet gecategoriseerd |
Taal | Nederlands |
Grootte | 12915 MB |