Sony AC-DN2B handleiding
Handleiding
Je bekijkt pagina 26 van 75

26
Connections
Connections
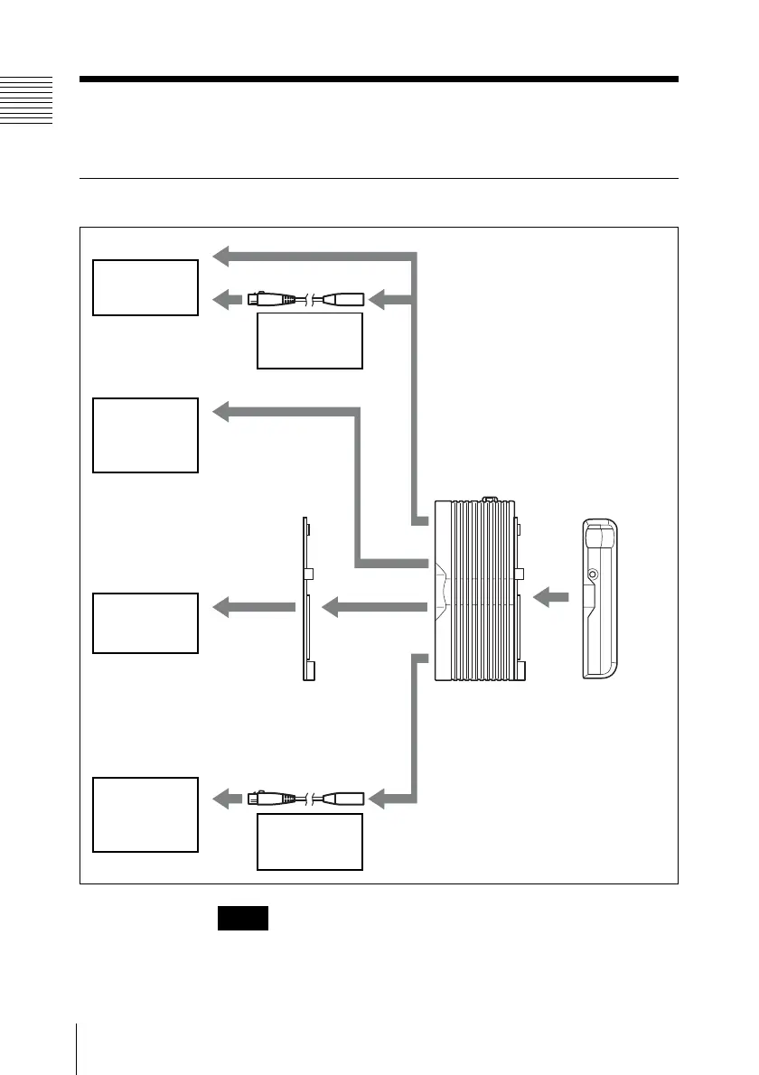
Major Connectable Devices
To attach the AC-DN2B to a Betacam SP camcorder, it is recommended
that the optional BKW-L601 or BKW-L601/2 Battery Adaptor be
purchased.
Portable editors
DNW-A220/P,
etc.
Betacam SX/
Digital Betacam
camcorders
DNW-7/P,
DNW-90/P,
DVW-709WSP,
etc.
Betacam SP
camcorders
BVW-300/P,
BVW-400/P,
etc.
Other portable
devices
BVW-50/P,
DNV-5,
DVW-250/P,
etc.
DC power cord
(not supplied)
BKW-L601 or BKW-L601/2
Battery Adaptor (not supplied)
DC power cord
(not supplied)
AC-DN2B
(This unit)
Lithium-ion battery
pack
For safety, use only
the Sony battery
packs.
Note
Bekijk gratis de handleiding van Sony AC-DN2B, stel vragen en lees de antwoorden op veelvoorkomende problemen, of gebruik onze assistent om sneller informatie in de handleiding te vinden of uitleg te krijgen over specifieke functies.
Productinformatie
Merk | Sony |
Model | AC-DN2B |
Categorie | Niet gecategoriseerd |
Taal | Nederlands |
Grootte | 9027 MB |
Caratteristiche Prodotto
Kleur van het product | Zwart |
Gewicht | 950 g |
Breedte | 110 mm |
Diepte | 70 mm |
Hoogte | 169 mm |