Sonifex CM-CU21 handleiding

44 pagina's
PDF beschikbaar

Handleiding

Je bekijkt pagina 26 van 44
16
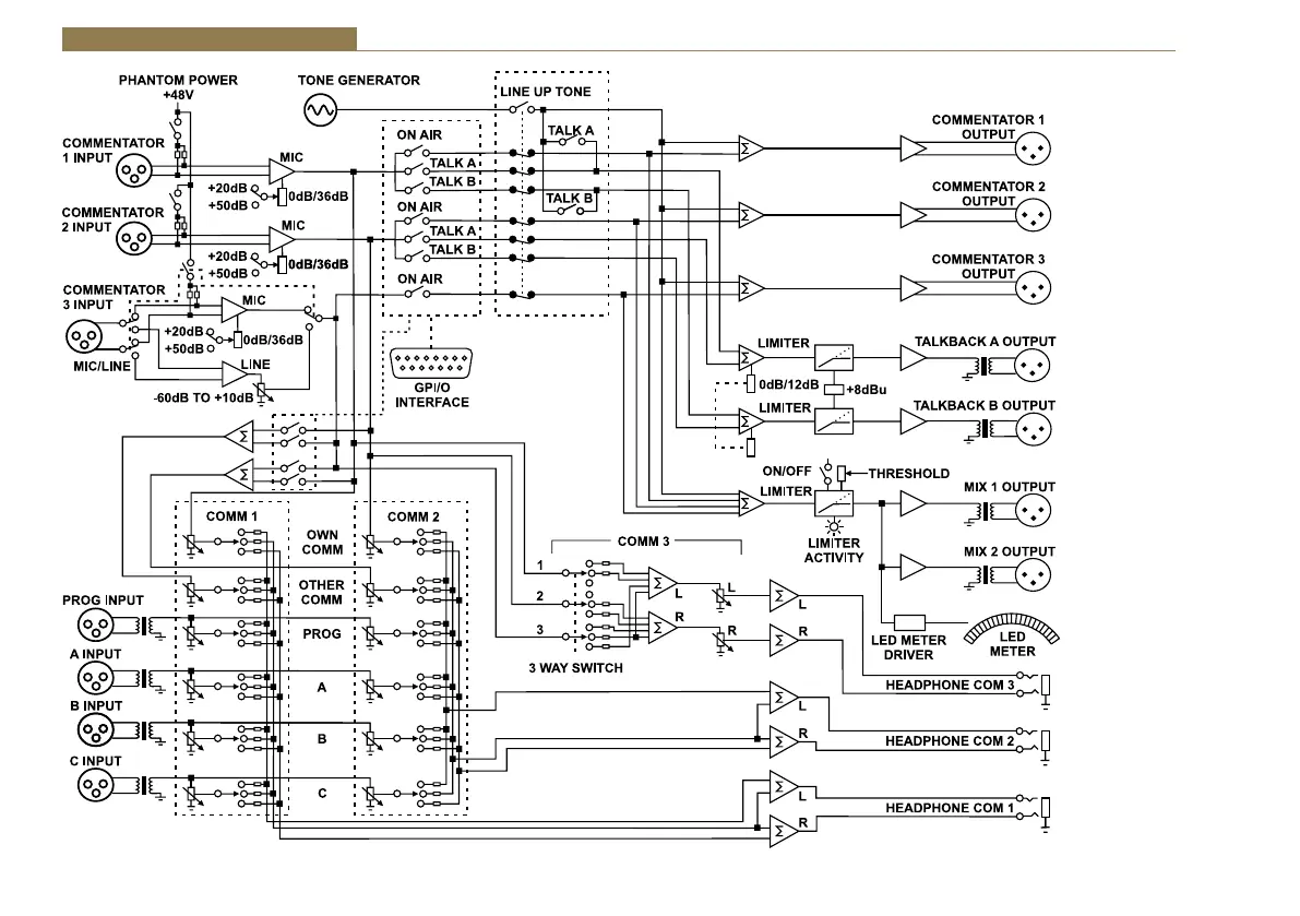
2 CM-CU21 System Diagram
Fig 2-2: CM-CU21 Commentator Unit Block Diagram

Bekijk gratis de handleiding van Sonifex CM-CU21, stel vragen en lees de antwoorden op veelvoorkomende problemen, of gebruik onze assistent om sneller informatie in de handleiding te vinden of uitleg te krijgen over specifieke functies.

Productinformatie

MerkSonifex
ModelCM-CU21
CategorieNiet gecategoriseerd
TaalNederlands
Grootte8583 MB