Soler & Palau UVF ECOWATT handleiding
Handleiding
Je bekijkt pagina 32 van 56

32
EN
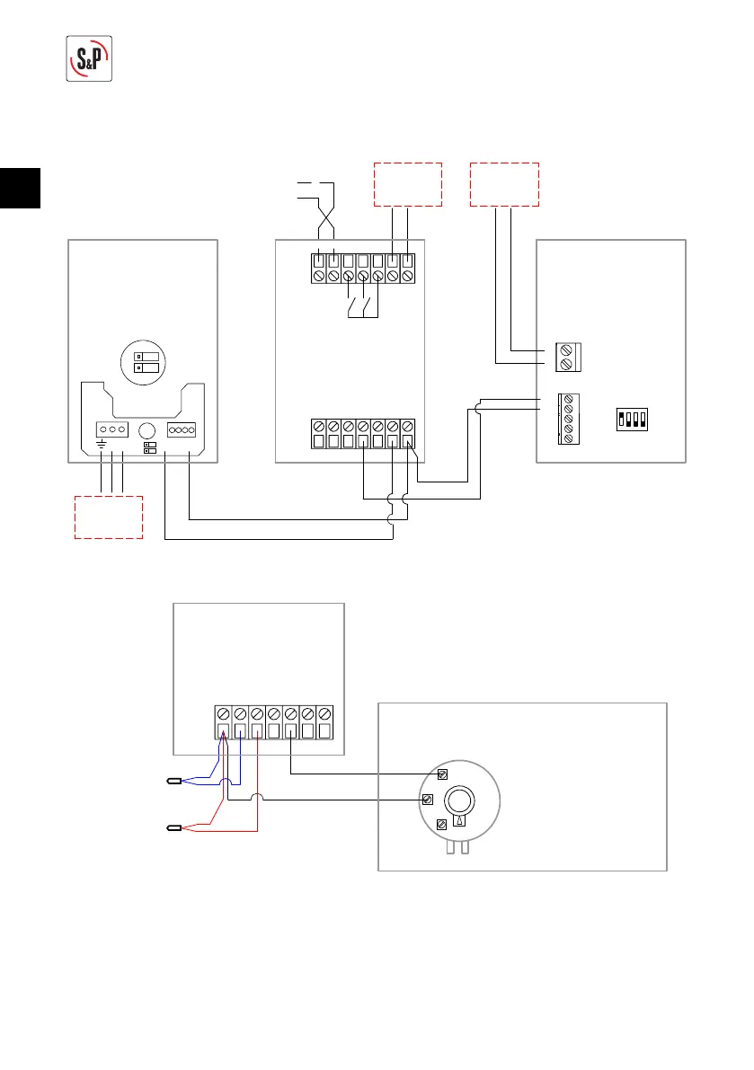
Connection detail for fan regulation
>/DEd/ME
KEdZK>
ϮϯϬsϱϬ,nj
55
7,17
&2
3'
9(/
*1'
%
$
*1'
7(;7
1
0RGEXV578
56
89)(&2:$77
/
:Ϯ
:ϭ
/EϭϬsϬs&'
>E
:ϭ
:Ϯ
&21752/&$'5(*
>/DEd/ME
KEdZK>
ϮϯϬsϱϬ,nj
9
*QG
2XW
'
'
>/DEd/ME
^KE
ϮϯϬsϱϬ,nj
/1
/
1
21
6:
/Z^E^KϮ
POWER SUPPLY
SENSOR
230V 50Hz
POWER SUPPLY
CONTROL
230V 50Hz
POWER SUPPLY
CONTROL
230V 50Hz
CAD-REG CONTROL
Connection detail for fi lter control and temperature monitoring
9(/
*1'
&21752/&$'5(*
7,17
&2
3'
*1'
7(;7
621'$7(03
(;7(5,25
621'$7(03
,17(5,25
35(6267$72'36
6XPLQLVWUDGRFRQOD89)(&2:$77
CAD-REG CONTROL
PRESSURE SWITCH DPS 2.30
Supplied with UVF-ECOWATT
OUTDOOR
TEMPERATURE
PROBE
INDOOR
TEMPERATURE
PROBE
Bekijk gratis de handleiding van Soler & Palau UVF ECOWATT, stel vragen en lees de antwoorden op veelvoorkomende problemen, of gebruik onze assistent om sneller informatie in de handleiding te vinden of uitleg te krijgen over specifieke functies.
Productinformatie
Merk | Soler & Palau |
Model | UVF ECOWATT |
Categorie | Ventilator |
Taal | Nederlands |
Grootte | 4379 MB |