Soler & Palau UVF ECOWATT handleiding
Handleiding
Je bekijkt pagina 15 van 56

15
ES
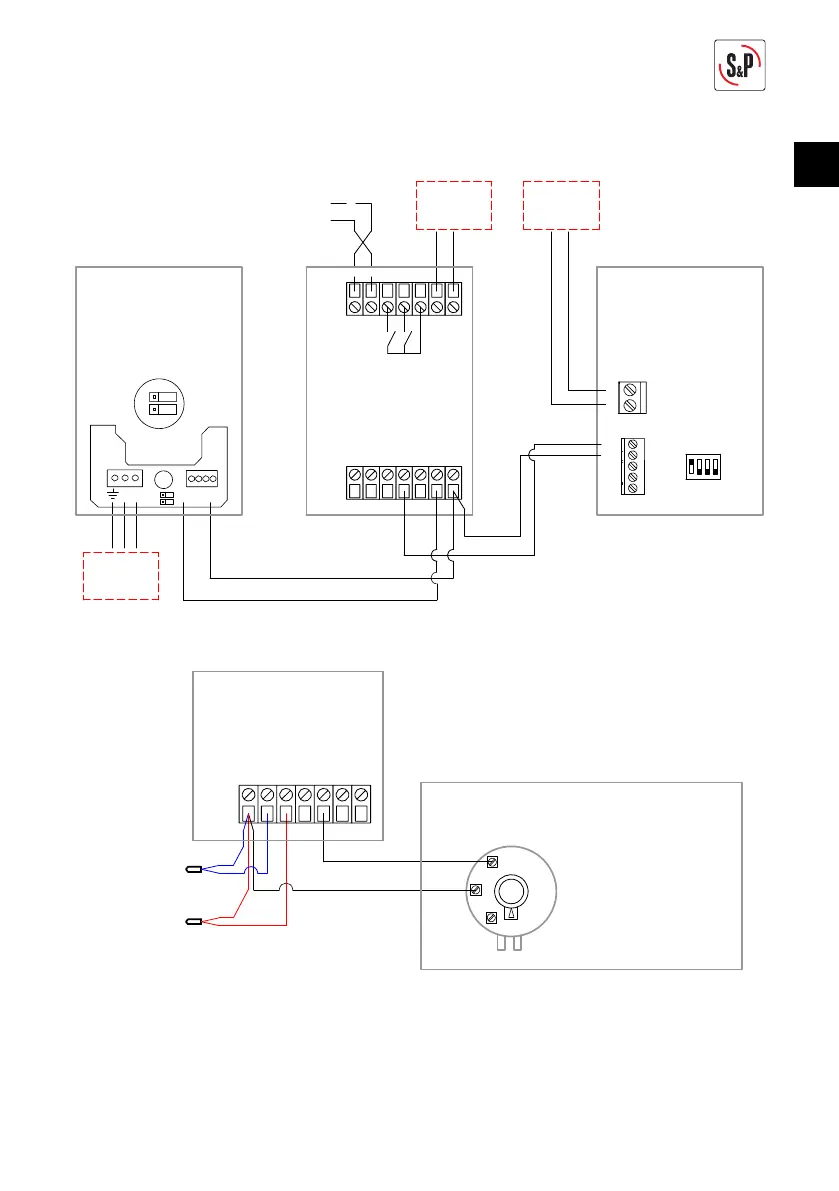
Detalle del conexionado para la regulación del ventilador
>/DEd/ME
KEdZK>
ϮϯϬsϱϬ,nj
55
7,17
&2
3'
9(/
*1'
%
$
*1'
7(;7
1
0RGEXV578
56
89)(&2:$77
/
:Ϯ
:ϭ
/EϭϬsϬs&'
>E
:ϭ
:Ϯ
&21752/&$'5(*
>/DEd/ME
KEdZK>
ϮϯϬsϱϬ,nj
9
*QG
2XW
'
'
>/DEd/ME
^KE
ϮϯϬsϱϬ,nj
/1
/
1
21
6:
/Z^E^KϮ
Detalle del conexionado para el control de fi ltros y monitorización de temperaturas
9(/
*1'
&21752/&$'5(*
7,17
&2
3'
*1'
7(;7
621'$7(03
(;7(5,25
621'$7(03
,17(5,25
35(6267$72'36
6XPLQLVWUDGRFRQOD89)(&2:$77
Bekijk gratis de handleiding van Soler & Palau UVF ECOWATT, stel vragen en lees de antwoorden op veelvoorkomende problemen, of gebruik onze assistent om sneller informatie in de handleiding te vinden of uitleg te krijgen over specifieke functies.
Productinformatie
| Merk | Soler & Palau |
| Model | UVF ECOWATT |
| Categorie | Ventilator |
| Taal | Nederlands |
| Grootte | 4379 MB |







