Sime FUEL EV handleiding
Handleiding
Je bekijkt pagina 12 van 100

12
IT
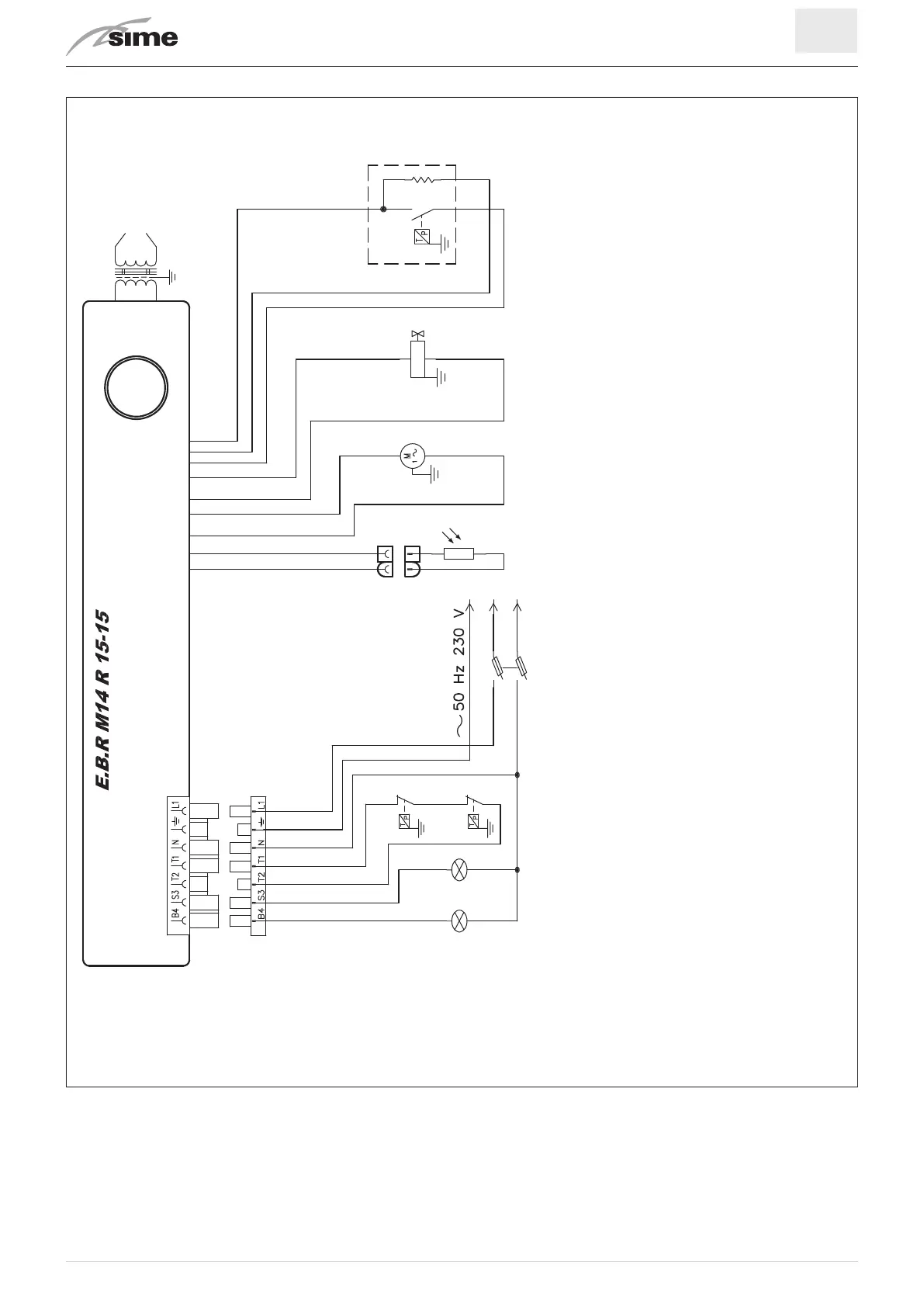
3.1 Schema elettrico
RCO
TRA
EV
SF
TC
HLB
HLF
TS
PE
IG
L N
MV
SF
Sensore fiamma
MV
Motore ventilatore
TRA
Trasformatore
RCO
Riscaldatore del combustibile
EV
Elettrovalvola gasolio
IG
Interruttore generale con fusibile
TC
Termostato caldaia
TS
Termostato di sicurezza
HLF
Lampada di funzionamento
HLB
Lampada di blocco
Fig. 7
Bekijk gratis de handleiding van Sime FUEL EV, stel vragen en lees de antwoorden op veelvoorkomende problemen, of gebruik onze assistent om sneller informatie in de handleiding te vinden of uitleg te krijgen over specifieke functies.
Productinformatie
| Merk | Sime |
| Model | FUEL EV |
| Categorie | Niet gecategoriseerd |
| Taal | Nederlands |
| Grootte | 26611 MB |







