Sealer Sales CS-6050 handleiding

34 pagina's
PDF beschikbaar

Handleiding

Je bekijkt pagina 20 van 34
16
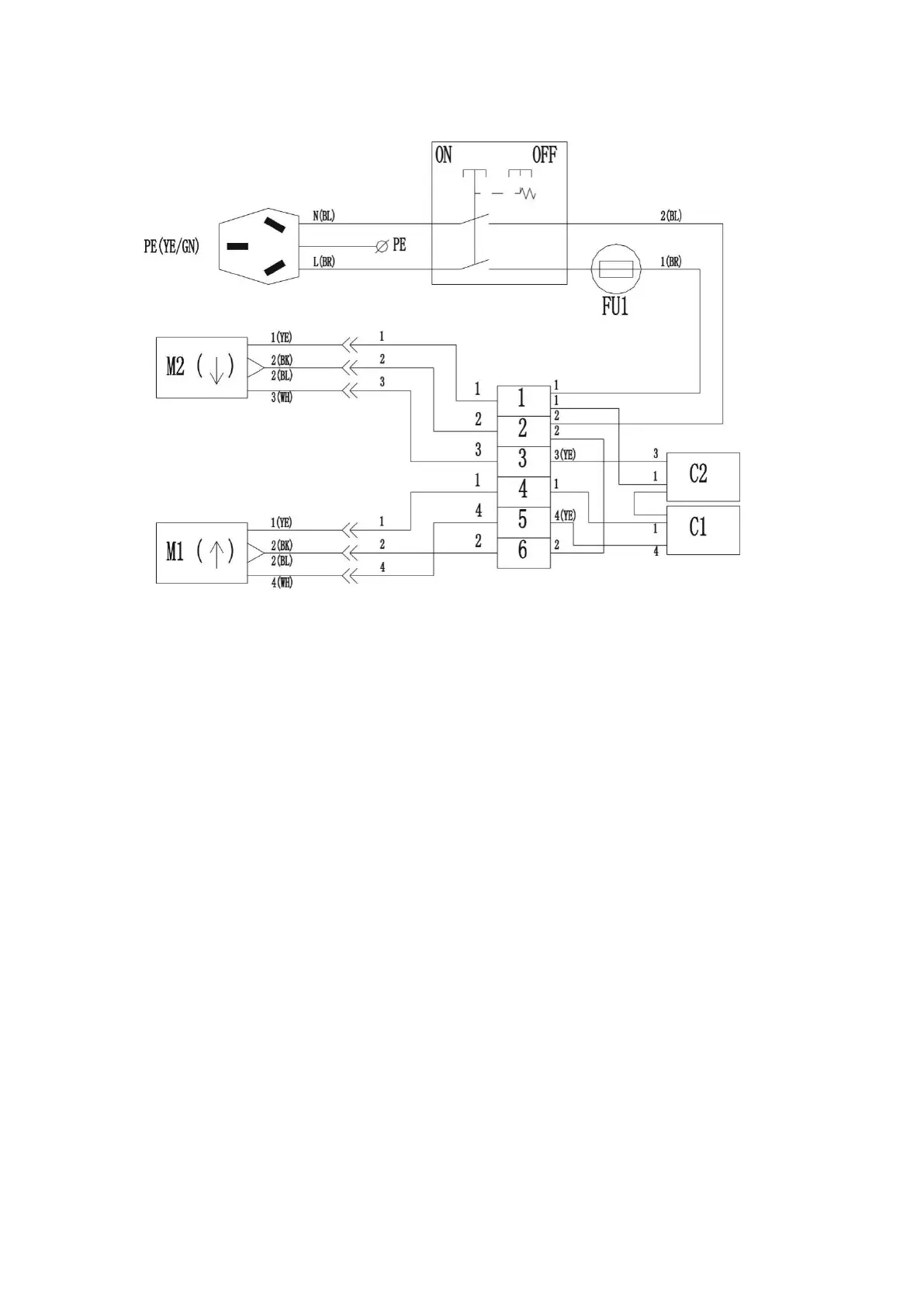
8. Circuit Diagram

Bekijk gratis de handleiding van Sealer Sales CS-6050, stel vragen en lees de antwoorden op veelvoorkomende problemen, of gebruik onze assistent om sneller informatie in de handleiding te vinden of uitleg te krijgen over specifieke functies.

Productinformatie

MerkSealer Sales
ModelCS-6050
CategorieNiet gecategoriseerd
TaalNederlands
Grootte4848 MB