Scotsman UN1520 handleiding

21 pagina's
PDF beschikbaar

Handleiding

Je bekijkt pagina 20 van 21
UF0915, 1415, 2020 and UN0815, 1215, 1520 User Manual
October 2019
Page 20
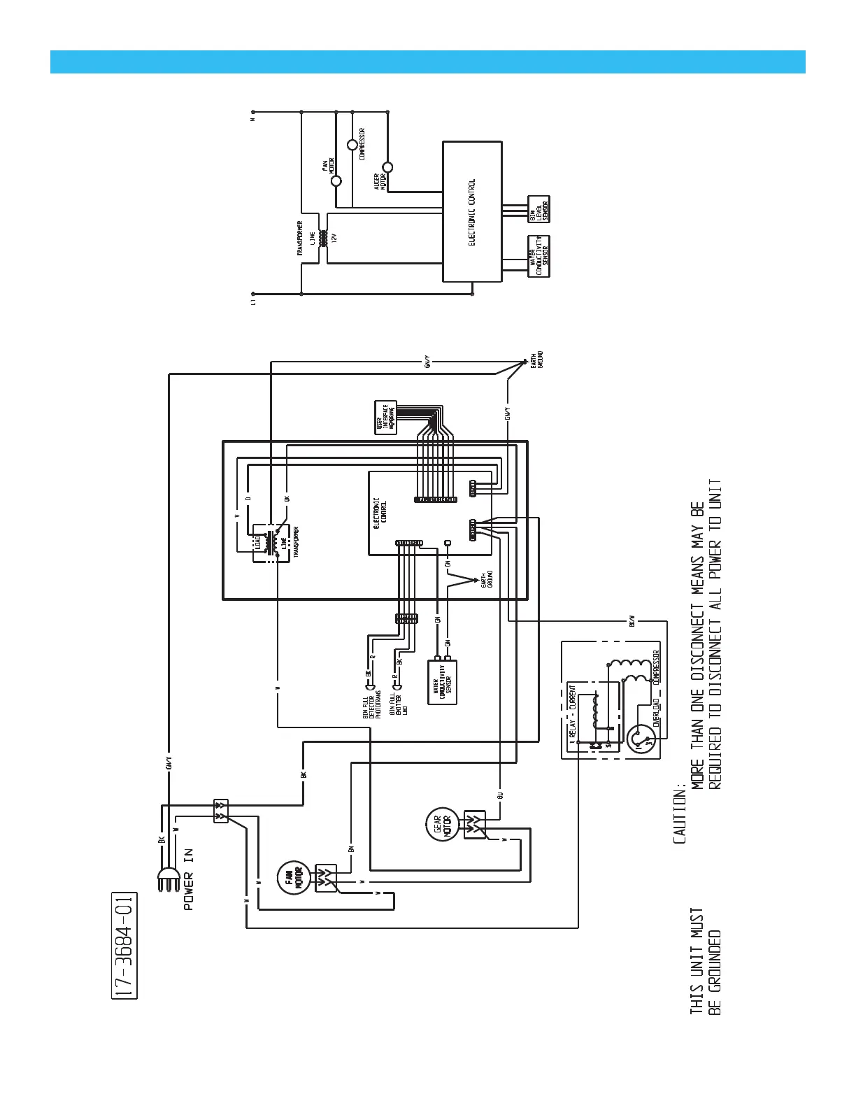
Wiring Diagram

Bekijk gratis de handleiding van Scotsman UN1520, stel vragen en lees de antwoorden op veelvoorkomende problemen, of gebruik onze assistent om sneller informatie in de handleiding te vinden of uitleg te krijgen over specifieke functies.

Productinformatie

MerkScotsman
ModelUN1520
CategorieNiet gecategoriseerd
TaalNederlands
Grootte4940 MB