Scotsman UN1215X handleiding

47 pagina's
PDF beschikbaar

Handleiding

Je bekijkt pagina 21 van 47
UF0915X, UF1415X, UF2020X, UN0815X, UN1215X, and UN1520X User Manual
March 2024
Page 19
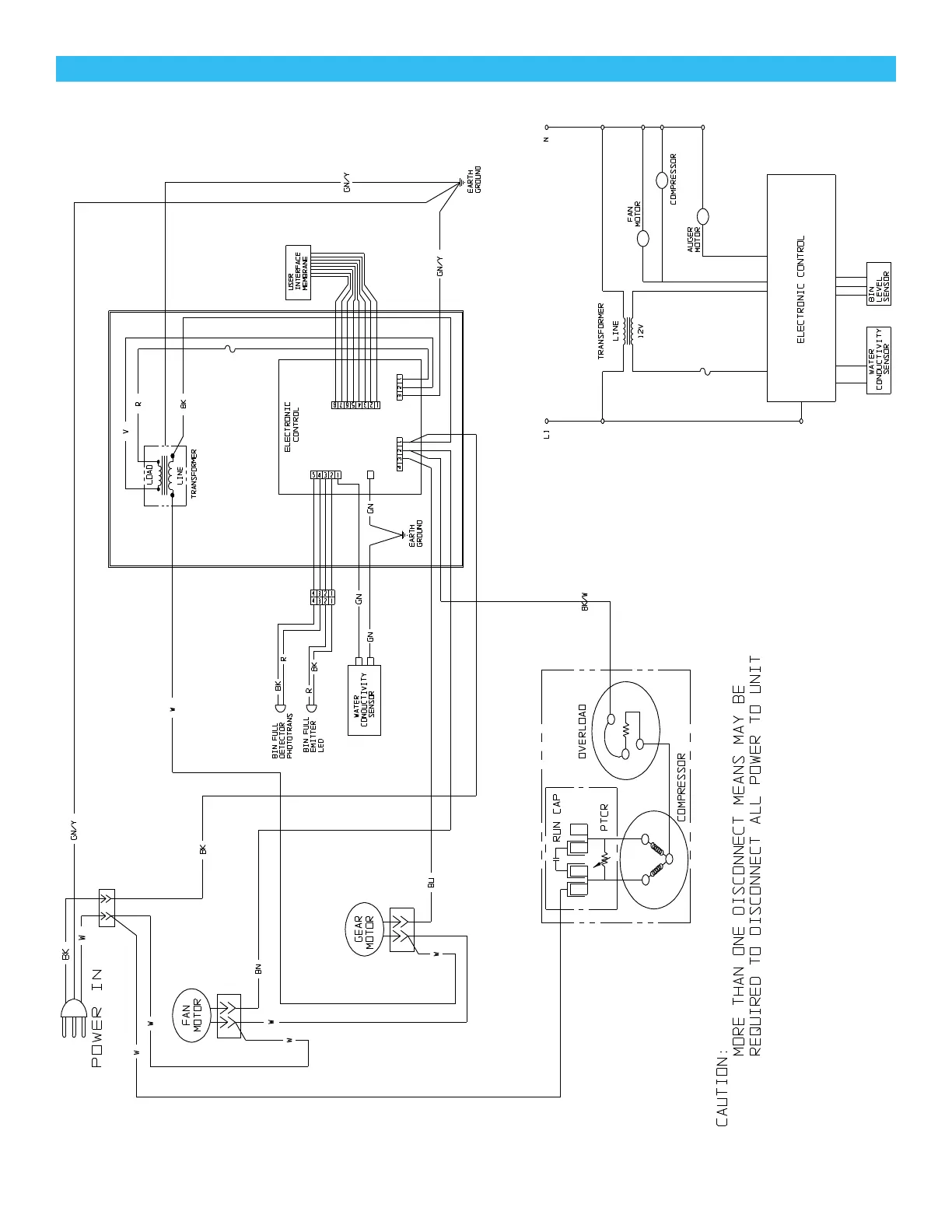
Wiring Diagram - UF1415X & UN1215X

Bekijk gratis de handleiding van Scotsman UN1215X, stel vragen en lees de antwoorden op veelvoorkomende problemen, of gebruik onze assistent om sneller informatie in de handleiding te vinden of uitleg te krijgen over specifieke functies.

Productinformatie

MerkScotsman
ModelUN1215X
CategorieNiet gecategoriseerd
TaalNederlands
Grootte5692 MB