Scotsman UF2020AX-1A handleiding

47 pagina's
PDF beschikbaar

Handleiding

Je bekijkt pagina 22 van 47
UF0915X, UF1415X, UF2020X, UN0815X, UN1215X, and UN1520X User Manual
March 2024
Page 20
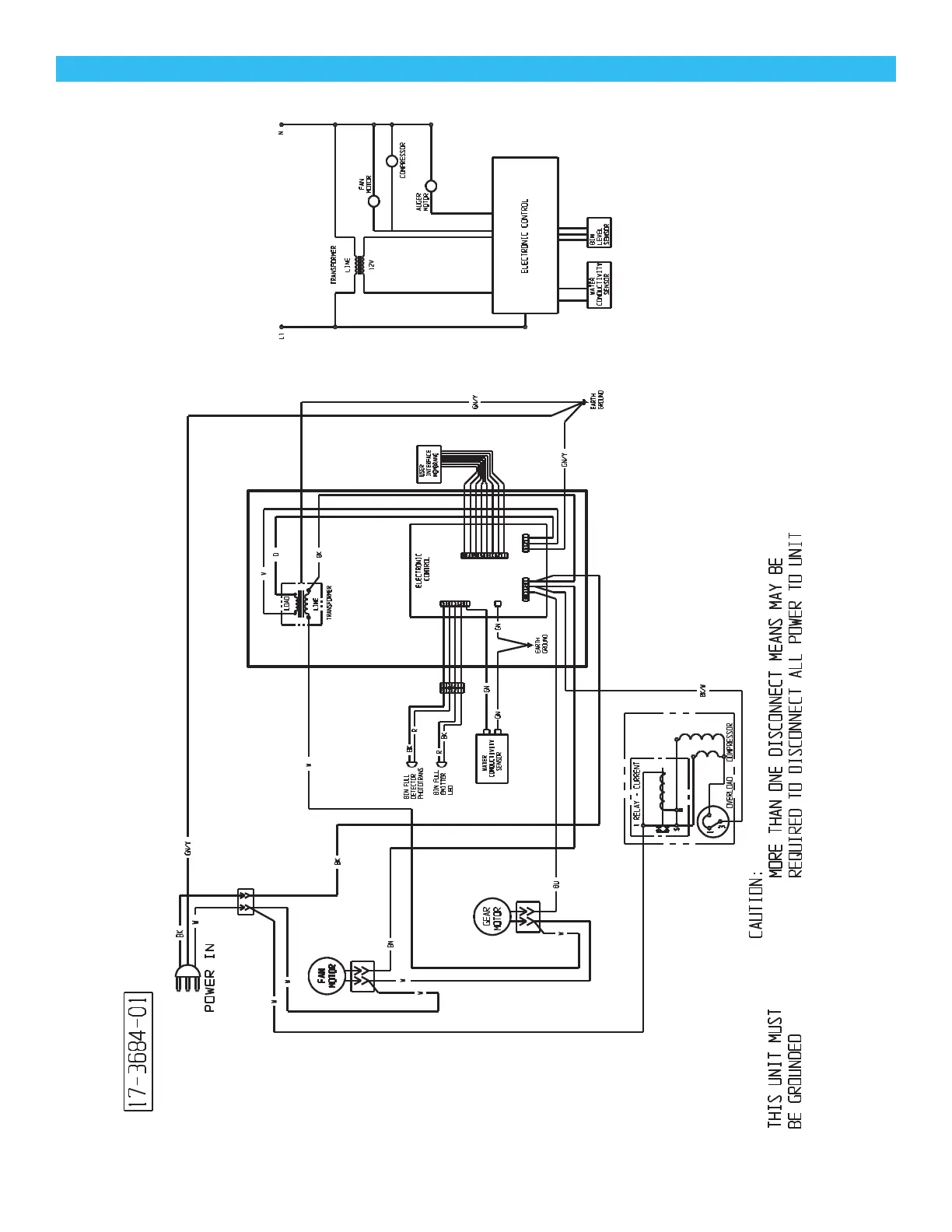
Wiring Diagram - UF2020X & UN1520X

Bekijk gratis de handleiding van Scotsman UF2020AX-1A, stel vragen en lees de antwoorden op veelvoorkomende problemen, of gebruik onze assistent om sneller informatie in de handleiding te vinden of uitleg te krijgen over specifieke functies.

Productinformatie

MerkScotsman
ModelUF2020AX-1A
CategorieNiet gecategoriseerd
TaalNederlands
Grootte5692 MB