Scotsman UF1415AX-1A handleiding

47 pagina's
PDF beschikbaar

Handleiding

Je bekijkt pagina 43 van 47
Manuel d’utilisation pour UF0915X, 1415X, 2020X et UN0815X, 1215X, 1520X
Mars 2024
Page 18
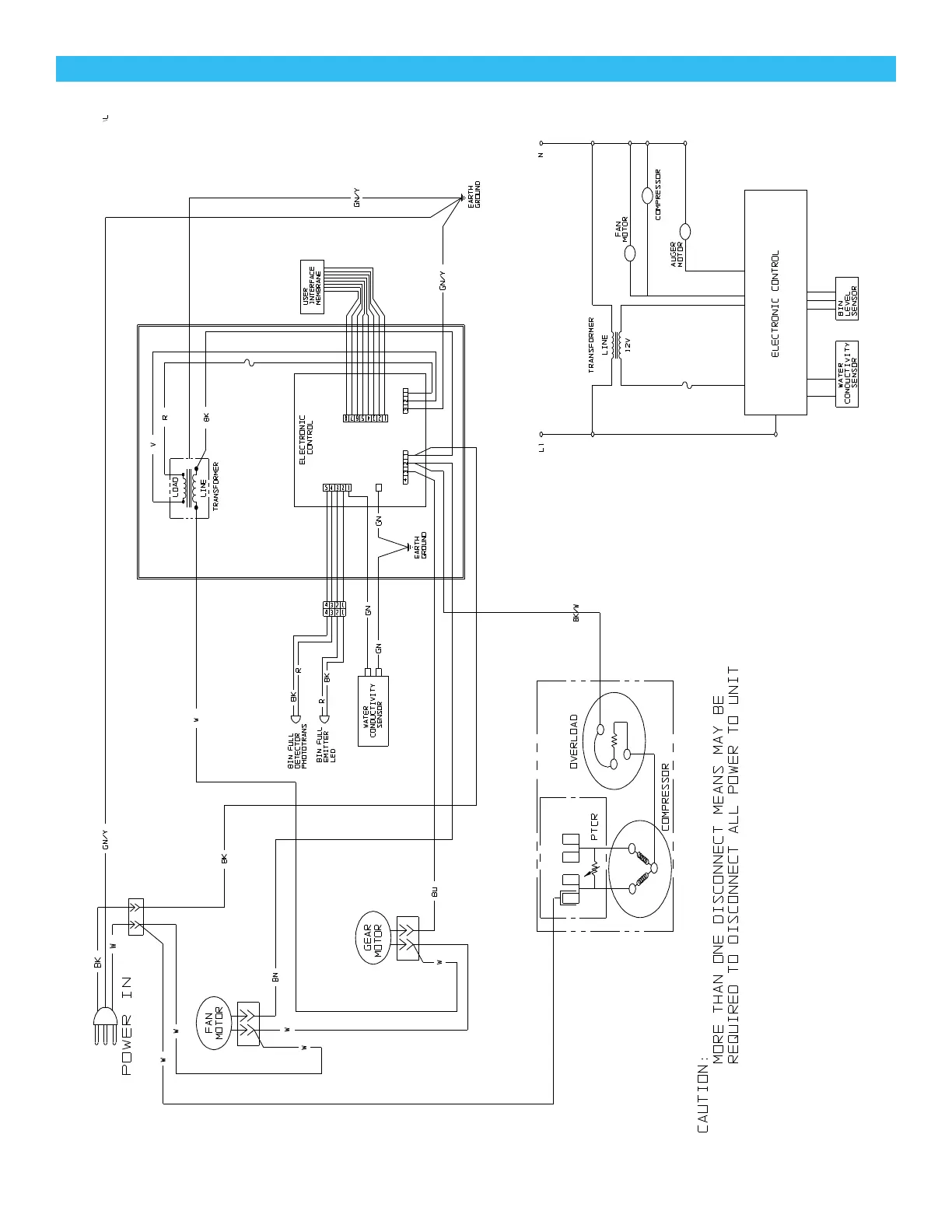
Schéma de câblage - UF0915X et UN0815X

Bekijk gratis de handleiding van Scotsman UF1415AX-1A, stel vragen en lees de antwoorden op veelvoorkomende problemen, of gebruik onze assistent om sneller informatie in de handleiding te vinden of uitleg te krijgen over specifieke functies.

Productinformatie

MerkScotsman
ModelUF1415AX-1A
CategorieNiet gecategoriseerd
TaalNederlands
Grootte5692 MB