Scheppach HS250L SE handleiding

76 pagina's
PDF beschikbaar

Handleiding

Je bekijkt pagina 72 van 76
www.scheppach.com
72

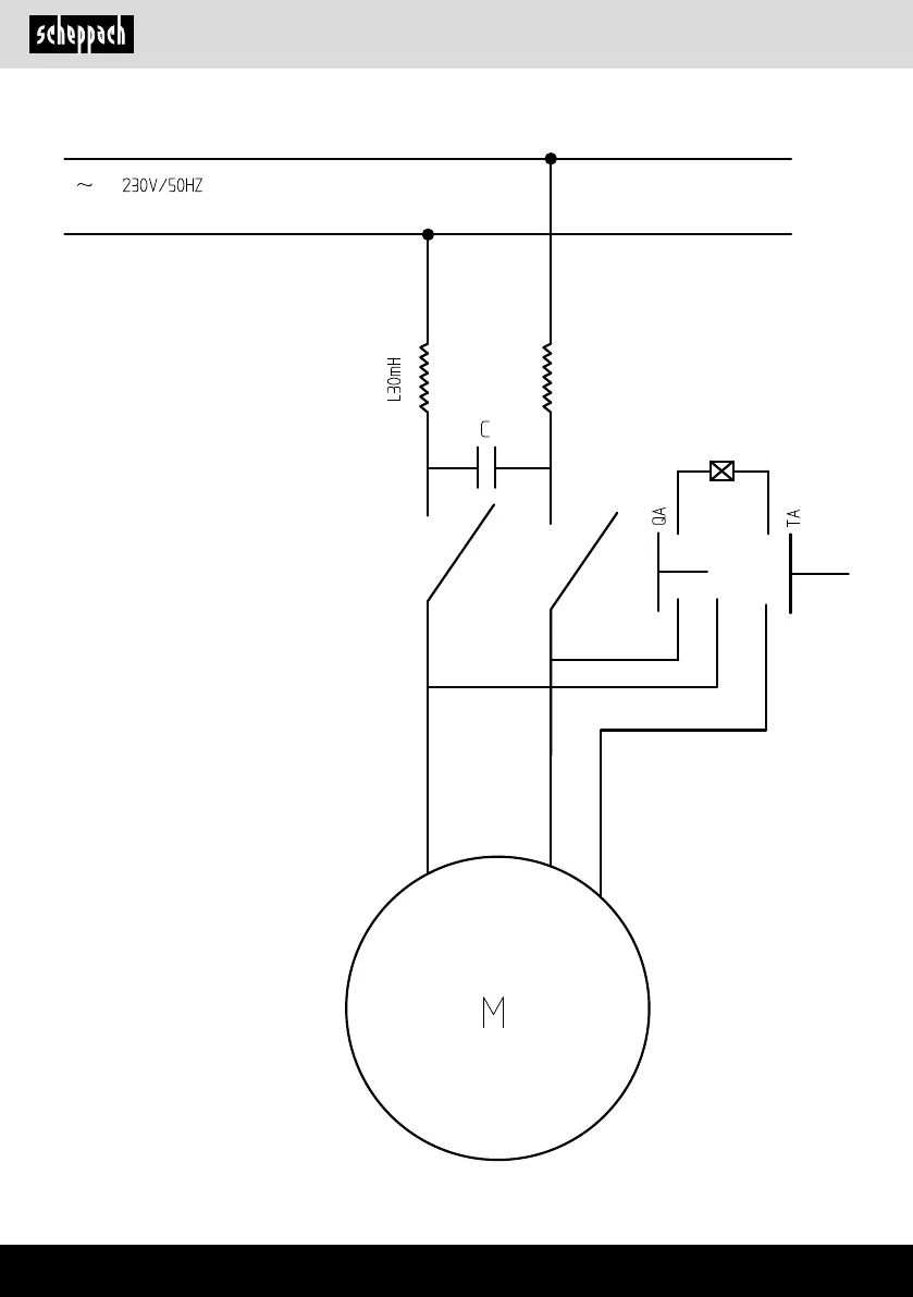
Bekijk gratis de handleiding van Scheppach HS250L SE, stel vragen en lees de antwoorden op veelvoorkomende problemen, of gebruik onze assistent om sneller informatie in de handleiding te vinden of uitleg te krijgen over specifieke functies.

Productinformatie

MerkScheppach
ModelHS250L SE
CategorieNiet gecategoriseerd
TaalNederlands
Grootte10784 MB