Sauermann CA 310 handleiding
Handleiding
Je bekijkt pagina 13 van 28

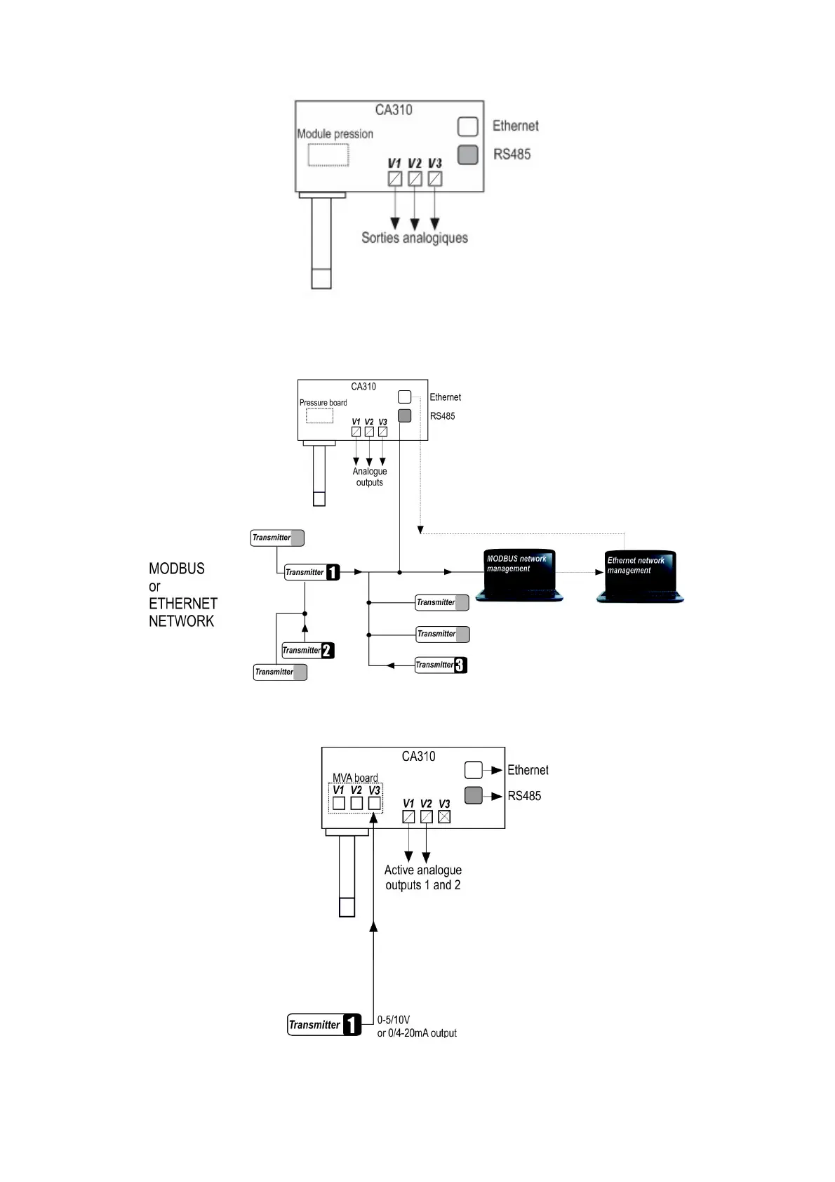
3 - 显示通过差压模块或测量探头的测量值的模拟信号输出
➢ 关闭数字输入 : “F180” 设置为 “OFF”。
4 – 显示通过差压模块或测量探头的测量值且通过数字信号输出 : 以太网或 Modbus
➢ 关闭数字输入 : “F180” 设置为 “OFF”。
5 – 显示通过测量探头的测量值且通过模拟信号输出
➢ 关闭数字输入 : “F180” 设置为 “OFF”。
当 MVA 模块中的一个模拟信号输入通道启用时, 相应的模拟输出信号通道将无法使用 (例如 : MVA 模块通道 3 启用
后, 模拟信号输出通道 3 则无法使用)
13
开启模拟信号输出
开启模拟信号输出
Bekijk gratis de handleiding van Sauermann CA 310, stel vragen en lees de antwoorden op veelvoorkomende problemen, of gebruik onze assistent om sneller informatie in de handleiding te vinden of uitleg te krijgen over specifieke functies.
Productinformatie
Merk | Sauermann |
Model | CA 310 |
Categorie | Niet gecategoriseerd |
Taal | Nederlands |
Grootte | 5066 MB |