Saivod LVC725 handleiding
Handleiding
Je bekijkt pagina 19 van 156

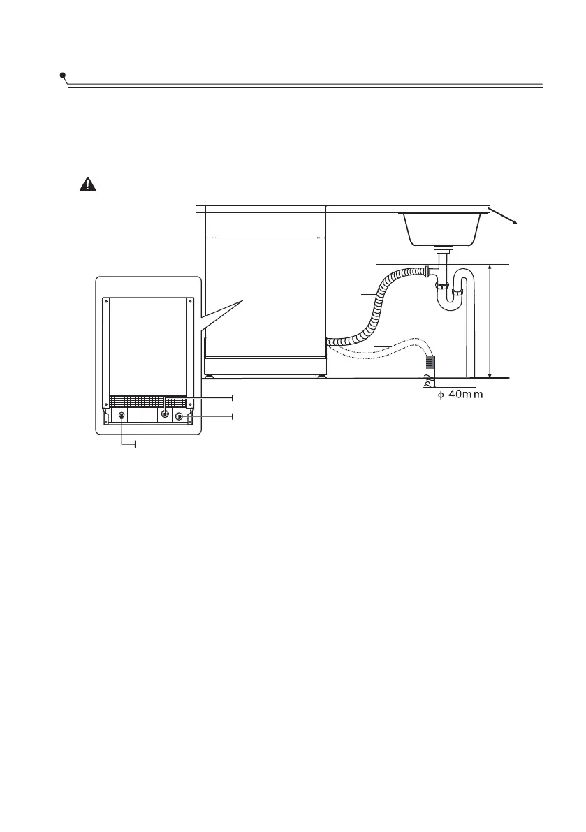
&RQH[LyQGHODVPDQJXHUDVGHGUHQDMH
)LMHFRQVHJXULGDGODPDQJXHUDGHGUHQDMHHQODSRVLFLyQ$RHQODSRVLFLyQ%
Ò"
Ò!
-!8ÒMM
(QFLPHUD
0DQJXHUD
GHGUHQDMH
,QVHUWHODPDQJXHUDGHGUHQDMHHQXQDWXEHUtDGHGUHQDMHFRQXQGLiPHWURPtQLPRGH
FPRGpMHODDFFHGHUDOIUHJDGHURDVHJXUiQGRVHGHHYLWDUGREOHFHVRTXHDSODVWDPLHQWRV
/DDOWXUDGHODWXEHUtDGHGUHQDMHGHEHVHULQIHULRUDPP(OH[WUHPROLEUHGHOD
PDQJXHUDQRGHEHVXPHUJLUVHHQDJXDSDUDHYLWDUHOUHWURFHVRGHOPLVPR
&yPRGUHQDUHOH[FHVRGHDJXDGHODVPDQJXHUDV
6L HO IUHJDGHUR HVWi P PiV DOWR GHVGH HO VXHOR HO H[FHVR GH DJXD HQ
ODV PDQJXHUDV QR VH SXHGH GUHQDU GLUHFWDPHQWH HQ HO IUHJDGHUR 6HUi
QHFHVDULR GUHQDU HO H[FHVR GH DJXD GH ODV PDQJXHUDV HQ XQ UHFLSLHQWH
DGHFXDGRTXHVHPDQWHQJDDIXHUD\PiVEDMRTXHHOIUHJDGHURÒ
6DOLGDGHDJXD
&RQHFWHODPDQJXHUDGHGUHQDMHGHDJXD/DPDQJXHUDGHGUHQDMHGHEHHVWDU
FRUUHFWDPHQWHLQVWDODGDSDUDHYLWDUIXJDVGHDJXD$VHJ~UHVHGHTXHOD
PDQJXHUDGHGUHQDMHGHDJXDQRHVWpGREODGDQLDSODVWDGD
0DQJXHUDGHH[WHQVLyQ
6LQHFHVLWDXQDH[WHQVLyQGHPDQJXHUDGHGUHQDMHDVHJ~UHVHGHXVDUXQD
PDQJXHUDGHGUHQDMHVLPLODU1RGHEHVXSHUDUORVPHWURVGHORFRQWUDULRHO
HIHFWRGHOLPSLH]DGHOODYDYDMLOODVSXHGHYHUVHDIHFWDGR
&RQH[LyQGHVLIyQ
/DFRQH[LyQGHGHVHFKRVGHEHHVWDUDXQDDOWXUDLQIHULRUDFPPi[LPR
GHVGHHOIRQGRGHOSODWR/DPDQJXHUDGHGUHQDMHGHDJXDGHEHVHUILMD
3DUWHSRVWHULRUGHOODYDYDMLOODV
(QWUDGDGHDJXD
7XEHUtDGHGHVDJH
&DEOHGHUHG
19
Bekijk gratis de handleiding van Saivod LVC725, stel vragen en lees de antwoorden op veelvoorkomende problemen, of gebruik onze assistent om sneller informatie in de handleiding te vinden of uitleg te krijgen over specifieke functies.
Productinformatie
Merk | Saivod |
Model | LVC725 |
Categorie | Vaatwasser |
Taal | Nederlands |
Grootte | 14800 MB |