Roland R-44 handleiding
Handleiding
Je bekijkt pagina 83 van 92

83
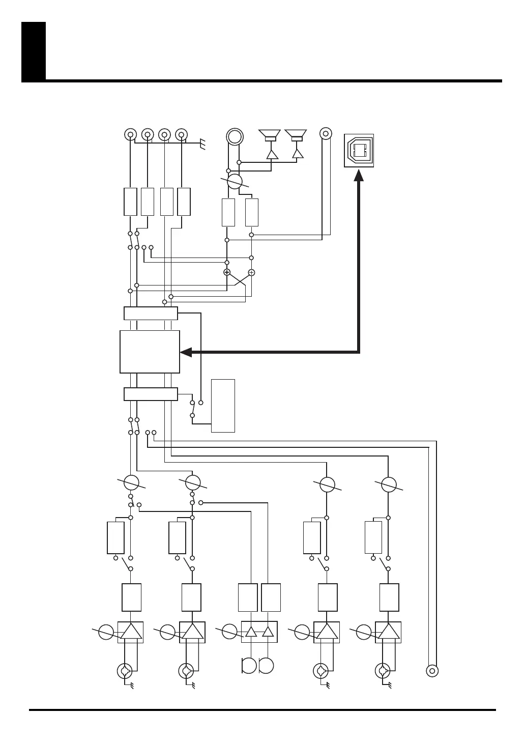
Block Diagram
INPUT2/R
INPUT1/L
SDHC
Memory
Card
INPUT4/R
INPUT3/L
DIGITAL AUDIO IN
A/D
A/D
A/D
A/D
L
R
LINE OUT
1/L
2/R
USB 2.0/1.1
Data Transfer to PC
DIGITAL AUDIO OUT
L
R
Internal mics
DSP
EFFECTS
SENS
SENS
SENS
SENS
To PC
LIMITER
Lo-Cut
LEVEL
LEVEL
LEVEL
LEVEL
A/D
A/D
L
R
D/A
PHONES
L
R
Built-in
SPEAKER
MONITOR
LEVEL
3/L
4/R
D/A
D/A
D/A
D/A
L
R
LIMITER
Lo-Cut
LIMITER
Lo-Cut
LIMITER
Lo-Cut
D/A
SENS
Bekijk gratis de handleiding van Roland R-44, stel vragen en lees de antwoorden op veelvoorkomende problemen, of gebruik onze assistent om sneller informatie in de handleiding te vinden of uitleg te krijgen over specifieke functies.
Productinformatie
| Merk | Roland |
| Model | R-44 |
| Categorie | Niet gecategoriseerd |
| Taal | Nederlands |
| Grootte | 13081 MB |







