Handleiding
Je bekijkt pagina 30 van 52

30
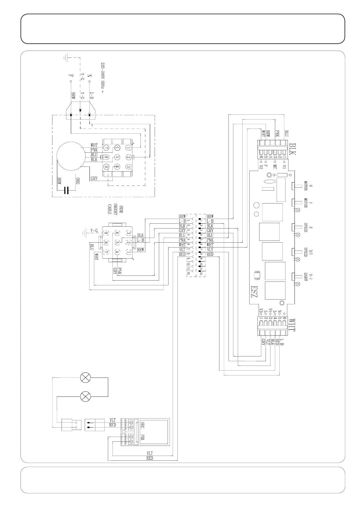
270 W
220-240 V
50Hz
2 x led 2W
ROBLIN
schéma électrique - electrical diagram - Stromlaufplan - Schema elettrico - esquema eléctrico - Elektrisch schema
A : azur, azur, azur blau / BK : black, noir,schwarz / B : blue, bleu, blau / Br : brown, brun, braun / G-Y : green-yellow, vert-jaune,
grün-gelb / Gr : grey, gris, grau / LB : light blue, bleu clair, hell blau / P : pink, rose, rosa / V : purple, mauve, malver farbig
/ R : red, rouge, rot / W : white, blanc, weiss / W-P : white-pink, blanc-rose, weiss-rosa / Y : yellow, jaune, gelb
Bekijk gratis de handleiding van Roblin Harmonie 600, stel vragen en lees de antwoorden op veelvoorkomende problemen, of gebruik onze assistent om sneller informatie in de handleiding te vinden of uitleg te krijgen over specifieke functies.
Productinformatie
| Merk | Roblin |
| Model | Harmonie 600 |
| Categorie | Afzuigkap |
| Taal | Nederlands |
| Grootte | 7198 MB |
Caratteristiche Prodotto
| Kleur van het product | Roestvrijstaal |
| Breedte | 600 mm |
| Netbelasting | 270 W |
| Geluidsniveau | 65 dB |
| Jaarlijks energieverbruik | 53 kWu |







