Handleiding
Je bekijkt pagina 17 van 28

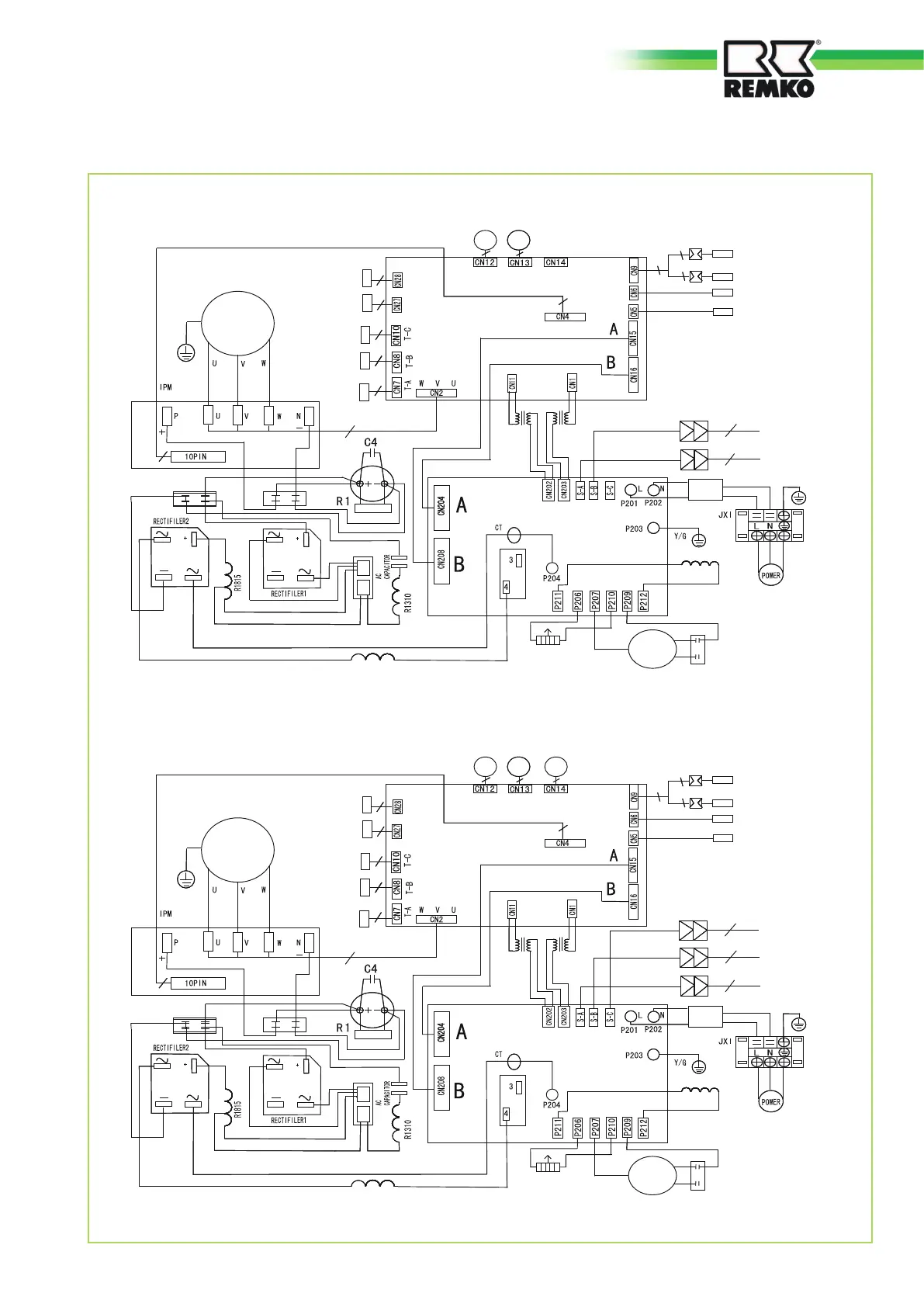
Elektrisch schema
MVT 900 DC
Sensor condensor
Elektronische
expansiekleppen
A B C
Compressor
Sensor
Zuigleiding
A B C
Stuurprintplaat
Trans-
formator
Trans-
formator
Sensor
Sensor zuigleiding
Verwarming
Ventilatormotor
Vermogensprint
Netfilter
Netvoeding
230V / 1~ /50Hz
Binnenunit C
Binnenunit B
Binnenunit A
Omkeer-
klep
MVT 600 DC
Sensor condensor
Elektronische
expansiekleppen
A B
Compressor
Sensor
Zuigleiding
A B C
Stuurprintplaat
Trans-
formator
Trans-
formator
Sensor
Sensor zuigleiding
Verwarming
Ventilatormotor
Vermogensprint
Netfilter
Netvoeding
230V / 1~ /50Hz
Binnenunit B
Binnenunit A
Omkeer-
klep
17
Bekijk gratis de handleiding van REMKO MVT 900 DC, stel vragen en lees de antwoorden op veelvoorkomende problemen, of gebruik onze assistent om sneller informatie in de handleiding te vinden of uitleg te krijgen over specifieke functies.
Productinformatie
| Merk | REMKO |
| Model | MVT 900 DC |
| Categorie | Airco |
| Taal | Nederlands |
| Grootte | 7126 MB |







