Remeha E-HP AW 172 Cool Ace handleiding

48 pagina's
PDF beschikbaar

Handleiding

Je bekijkt pagina 21 van 48
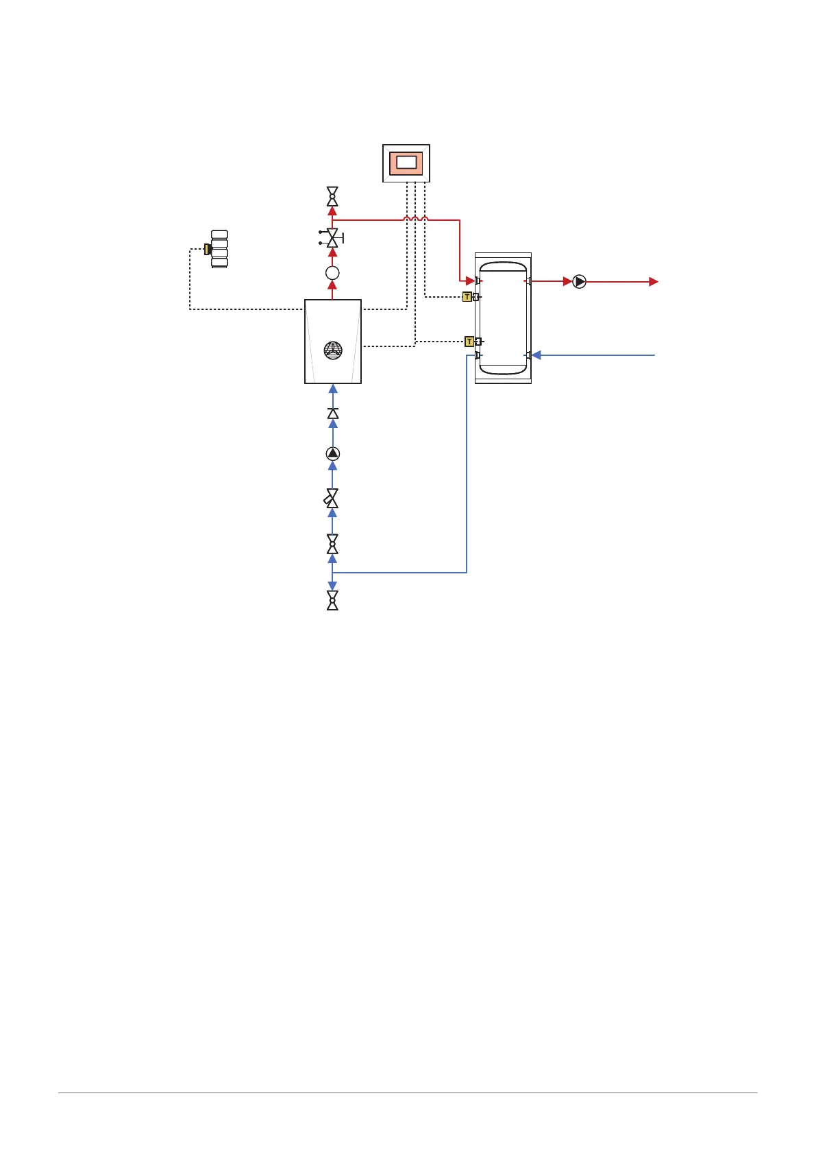
Voor andere voorbeelden van hydraulische schema's kunt u contact
opnemen met Remeha
Afb.8 Voorbeeld: volledig elektrisch
AD-3003093-01
FSFS
4 Beschrijving van het product
7681853 - v.05 - 17102023 21

Bekijk gratis de handleiding van Remeha E-HP AW 172 Cool Ace, stel vragen en lees de antwoorden op veelvoorkomende problemen, of gebruik onze assistent om sneller informatie in de handleiding te vinden of uitleg te krijgen over specifieke functies.

Productinformatie

MerkRemeha
ModelE-HP AW 172 Cool Ace
CategorieNiet gecategoriseerd
TaalNederlands
Grootte6103 MB