Rane SM 82S handleiding
Handleiding
Je bekijkt pagina 8 van 32

Manual-4
LEFT
(MONO)
INPUT
CHANNEL 1
+6 dB
BALANCE
INPUT
RIGHT
LEFT
(MONO)
INPUT
RIGHT
RFI
FILTER
FILTER
RFI
INPUT
LEVEL
+6 dB
INPUT
OVERLOAD
OL
SENSE
CH 2
LEVEL
SEND
RIGHT MAIN
RIGHT SEND
LEFT MAIN
LEFT SEND
R
R
L
L
L
L
R
R
CH 3
L
L
R
R
CH 4
L
L
R
R
CH 5
L
L
R
R
CH 6
L
L
R
R
CH 7
L
L
R
R
CH 8
0 dB
0 dB
SUMMING
AMPLIFIERS
DRIVERS
BALANCED
BALANCED
DRIVERS
OUTPUT
BALANCE
AMPLIFIERS
SUMMING
0 dB
0 dB
+
L+R
LOOP
SENDS
RIGHT
LEFT
OUT
EXPAND
MAIN
RING
TIP
RIGHT
LEFT
+6 dB
+6 dB
LEVEL
OUTPUT
SENSE
OL
OVERLOAD
OUTPUT
LEFT
RIGHT
MAIN
OUTPUTS
SENSE
OL
OVERLOAD
RECEIVE
+6 dB
LEVEL
RECEIVE
RFI
FILTER
FILTER
RFI
RIGHT
INPUT
RECEIVE
BALANCE
+6 dB
RETURNS
INPUT
(MONO)
LEFT
LOOP
LEFT
RIGHT
TIP
RING
MAIN
EXPAND
INPUT
INPUT
EXPAND
LOOP
RING
TIP
RIGHT
LEFT
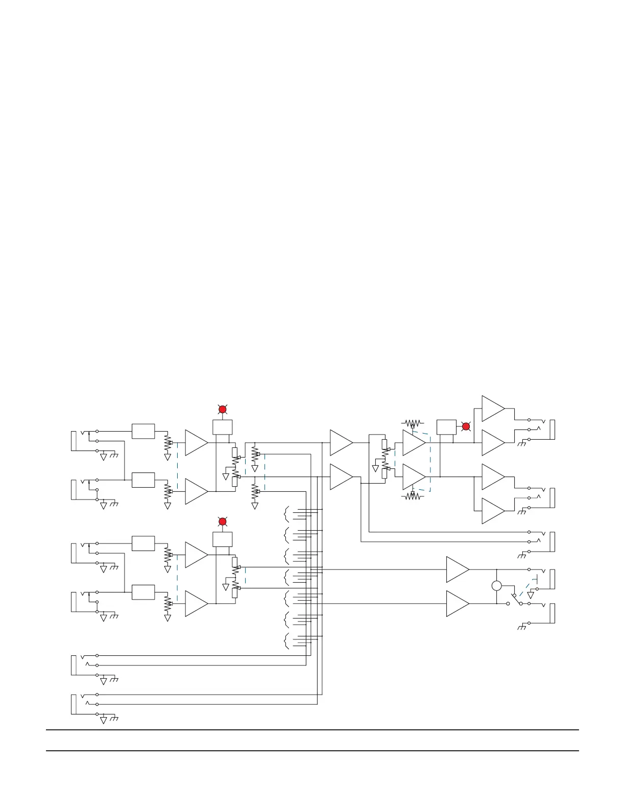
OPERATING INSTRUCTIONS
CIRCUIT DESCRIPTION
Learning to operate the SM82S might be a bit easier if you
glance at the Block Diagram below. All eight stereo Inputs
operate in exactly the same way. Signal applied to the Inputs is
acted on by a radio interference lter (we have assumed that local
broadcasts should not be a part of your music) and is then routed
to a stereo LEVEL control. If you are using a mono source, con-
nect it only to the LEFT Input to send this mono signal to both
the Left and Right sides of the input circuitry. e output of the
Level control sections is applied to a unity gain buer to prevent
the LEVEL control from adversely interacting with downstream
circuitry. e Input overload sensor monitors here to alert the
user via LED to any possible Input overload conditions. Left and
Right audio is then subjected to the channel PAN control to al-
low the user to place the stereo image of the source as desired to
the Left and Right Outputs. A stereo SEND control adjusts the
amount of each Input routed to the Loop Output.
All eight stereo Inputs are simultaneously adjusted for stereo
placement by the OUTPUT PAN control. e resultant signal is
added together and fed to the OUTPUT LEVEL control, which
has it’s own Overload indicator. e main Outputs are fully
actively balanced, allowing the use of correctly wired long cables.
EFFECTS LOOP
e LOOP SENDS receive their audio from the Send bus which
is the sum of all the Inputs as determined by the Input SEND
controls. is Output may be used to drive a stereo eects pro-
cessor. e output of the eect device is returned to the SM82S
through the LOOP RETURNS. e level of the returned eect
is determined by the RETURN LEVEL control on the front
panel. e return section also provides a BALance control for
image placement.
PAN / BALANCE CONTROLS
ese operate as ‘PAN’ with a mono signal plugged in the LEFT
input only, and ‘BALANCE’ with a stereo signal (both jacks
plugged in). ese do not increase the level of either Left or
Right signal. As the controls are moved toward one channel, the
level of the other channel is only reduced.
HIGH NOISE IMMUNITY
One of the most unusual features of the SM82S is its inher-
ent immunity from noise. All eight of the stereo inputs may be
turned all the way up without increasing the internal noise of
the mixer. is is critical due to the wide variation in output
levels found in musical instruments and tape devices. A fairly
low-level guitar may be combined in the same system with a
high level synthesizer without any undesirable side-eects. e
SM82S eliminates the concerns normally associated with mixing
so-called -l0 dBV units with +4 dBu types.
©Rane Corporation 10802 47th Ave. W., Mukilteo WA 98275-5000 USA TEL 425-355-6000 FAX 425-347-7757 WEB rane.com
107271
Block Diagram
Bekijk gratis de handleiding van Rane SM 82S, stel vragen en lees de antwoorden op veelvoorkomende problemen, of gebruik onze assistent om sneller informatie in de handleiding te vinden of uitleg te krijgen over specifieke functies.
Productinformatie
| Merk | Rane |
| Model | SM 82S |
| Categorie | Niet gecategoriseerd |
| Taal | Nederlands |
| Grootte | 5061 MB |







