Rane ECS v2 handleiding

33 pagina's
PDF beschikbaar

Handleiding

Je bekijkt pagina 14 van 33
RW Manual-14
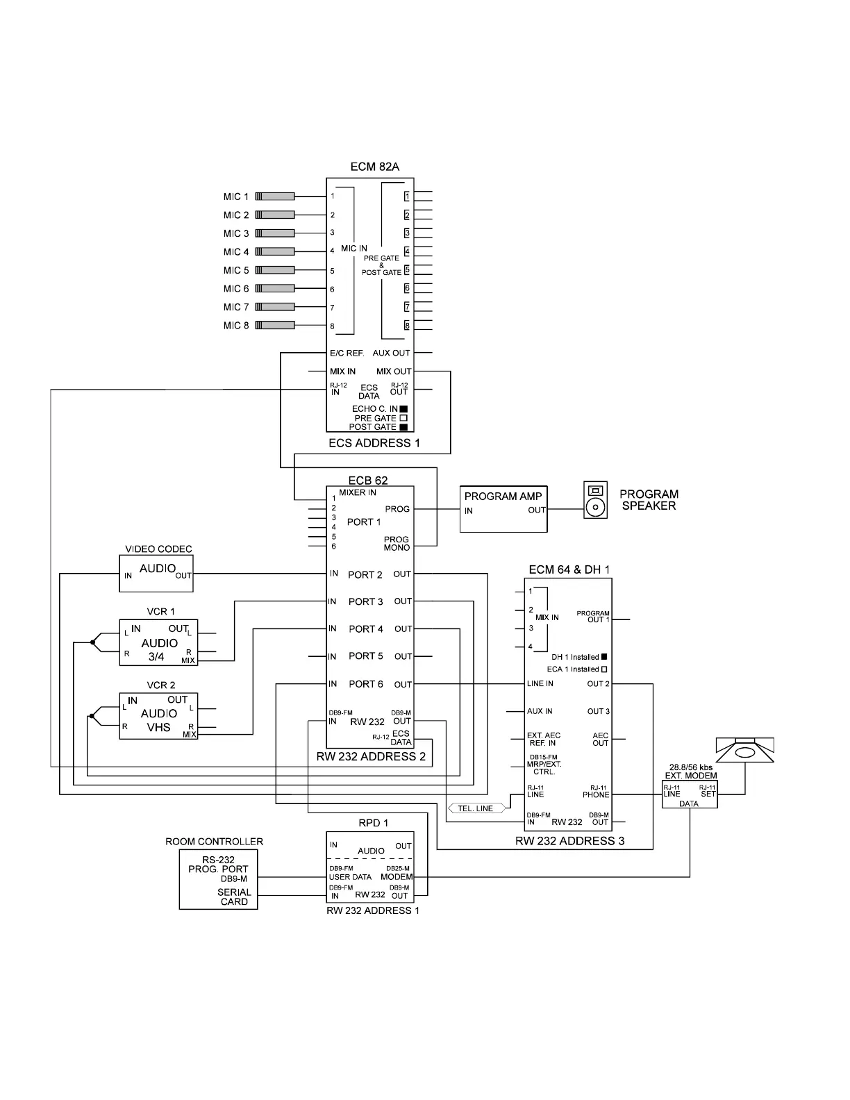
This block diagram illustrates the Applications - System 1 example on the preceding page.

Bekijk gratis de handleiding van Rane ECS v2, stel vragen en lees de antwoorden op veelvoorkomende problemen, of gebruik onze assistent om sneller informatie in de handleiding te vinden of uitleg te krijgen over specifieke functies.

Productinformatie

MerkRane
ModelECS v2
CategorieNiet gecategoriseerd
TaalNederlands
Grootte4834 MB