Rane ECM 64 handleiding
Handleiding
Je bekijkt pagina 4 van 26

Manual-4
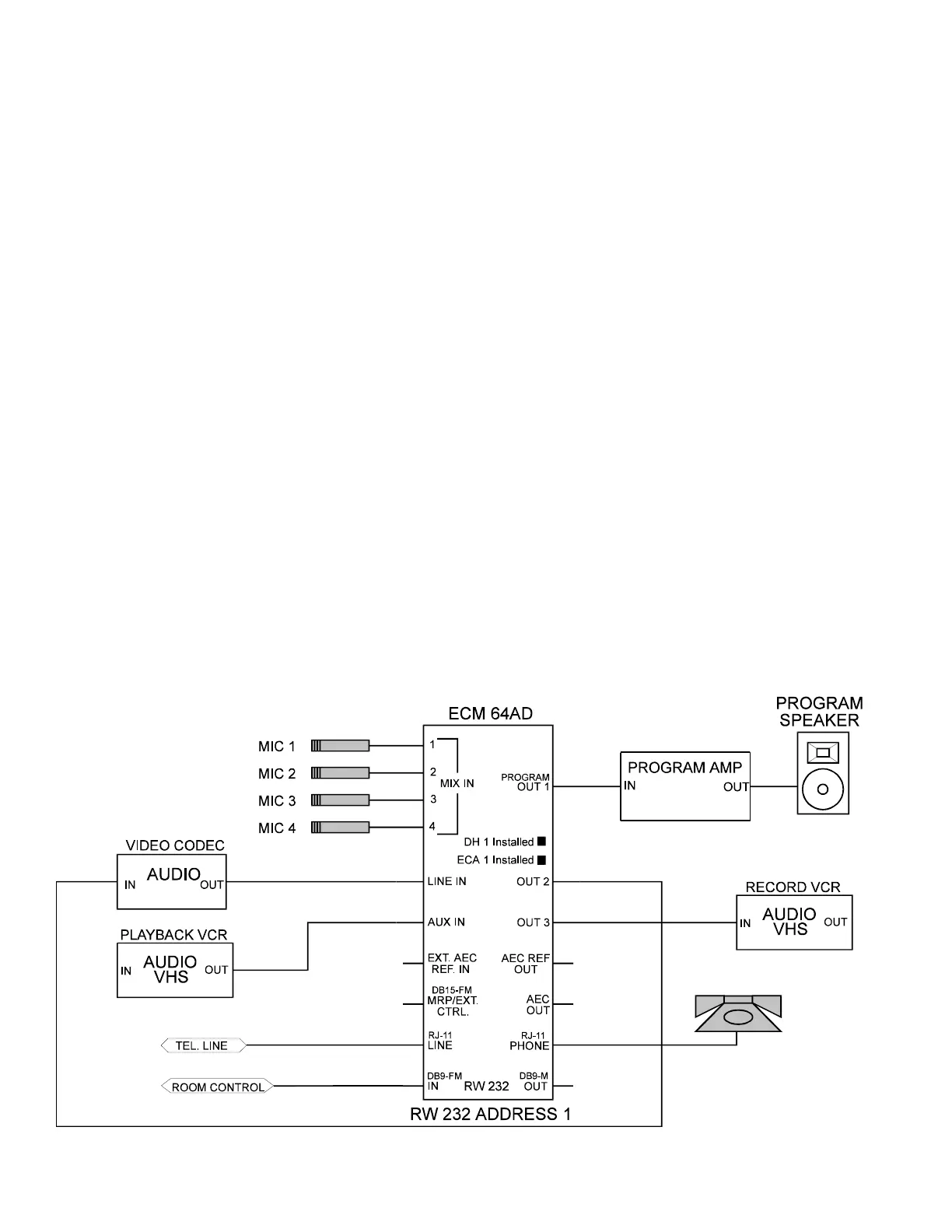
Typical ECM 64AD Installation
The ECM 64AD is preprogrammed to operate out of the
box using the following system configuration. Run RaneWare,
choose Device > Restore Memories from File, and load the
ECM 64 file AP1.C64. In this example we will not use
custom names, just the defaults to keep things clearer.
In this configuration:
• Mic Mix is routed to the AEC IN
• Out 1 is used for the AEC REF
• Line, AUX and HYBRID are routed to Out 1 (to the
loudspeaker amplifier)
• AEC OUT, AUX and HYBRID are routed to Out 2 (to the
video codec)
• Mic Mix, Line, AUX and HYBRID are routed to Out 3 (to
the record VCR)
• AEC OUT, Line and AUX are routed to HYBRID.
The AP1.C64 file uses two Memories:
• Memory 1 is set for the above application
• Memory 2 allows local speech reinforcement.
In Memory 1, since Out 1 is used for the AEC Reference,
Mics cannot be sent to Out 1 for local speech reinforcement. If
Mics are sent to both the AEC Input and the AEC Reference,
the AEC will not perform properly.
The Memory 2 application solves this problem by chang-
ing the AEC Reference from Out 1 to the mix of Line In and
Aux In. Since Out 1’s Limiter is no longer part of the AEC
Reference, Memory 2 disables Out 1’s Limiter.
See Memory & Security on page Manual-9 for more
information.
Refer to the Appendix for an example of a larger system
combining the ECM 64 with ECS.
Typical ECM 64AD Installation
Bekijk gratis de handleiding van Rane ECM 64, stel vragen en lees de antwoorden op veelvoorkomende problemen, of gebruik onze assistent om sneller informatie in de handleiding te vinden of uitleg te krijgen over specifieke functies.
Productinformatie
| Merk | Rane |
| Model | ECM 64 |
| Categorie | Niet gecategoriseerd |
| Taal | Nederlands |
| Grootte | 3260 MB |







