Randell FX-2CS-290 handleiding

11 pagina's
PDF beschikbaar

Handleiding

Je bekijkt pagina 10 van 11
10 OM-20000 SERIES LOW PROFILE EQUIPMENT TABLES
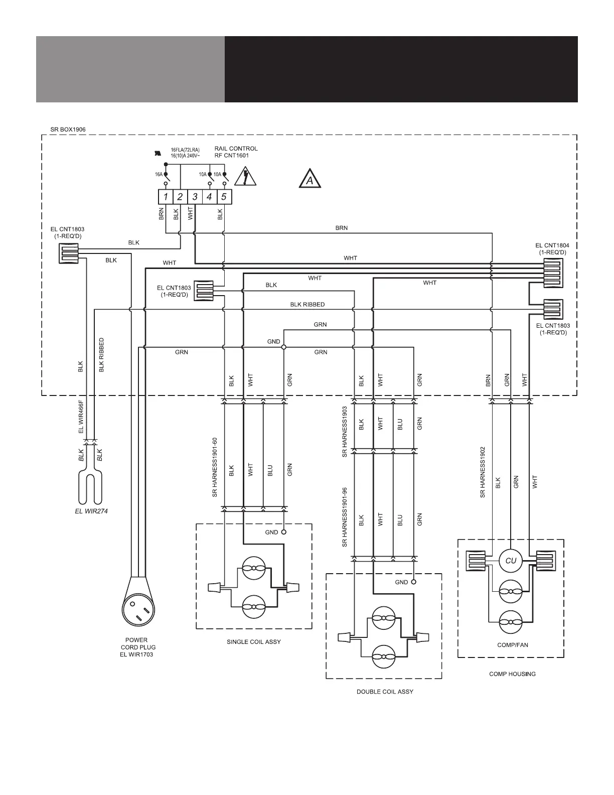
Wiring Diagram

Bekijk gratis de handleiding van Randell FX-2CS-290, stel vragen en lees de antwoorden op veelvoorkomende problemen, of gebruik onze assistent om sneller informatie in de handleiding te vinden of uitleg te krijgen over specifieke functies.

Productinformatie

MerkRandell
ModelFX-2CS-290
CategorieNiet gecategoriseerd
TaalNederlands
Grootte2165 MB