Randell 3600 handleiding

15 pagina's
PDF beschikbaar

Handleiding

Je bekijkt pagina 6 van 15
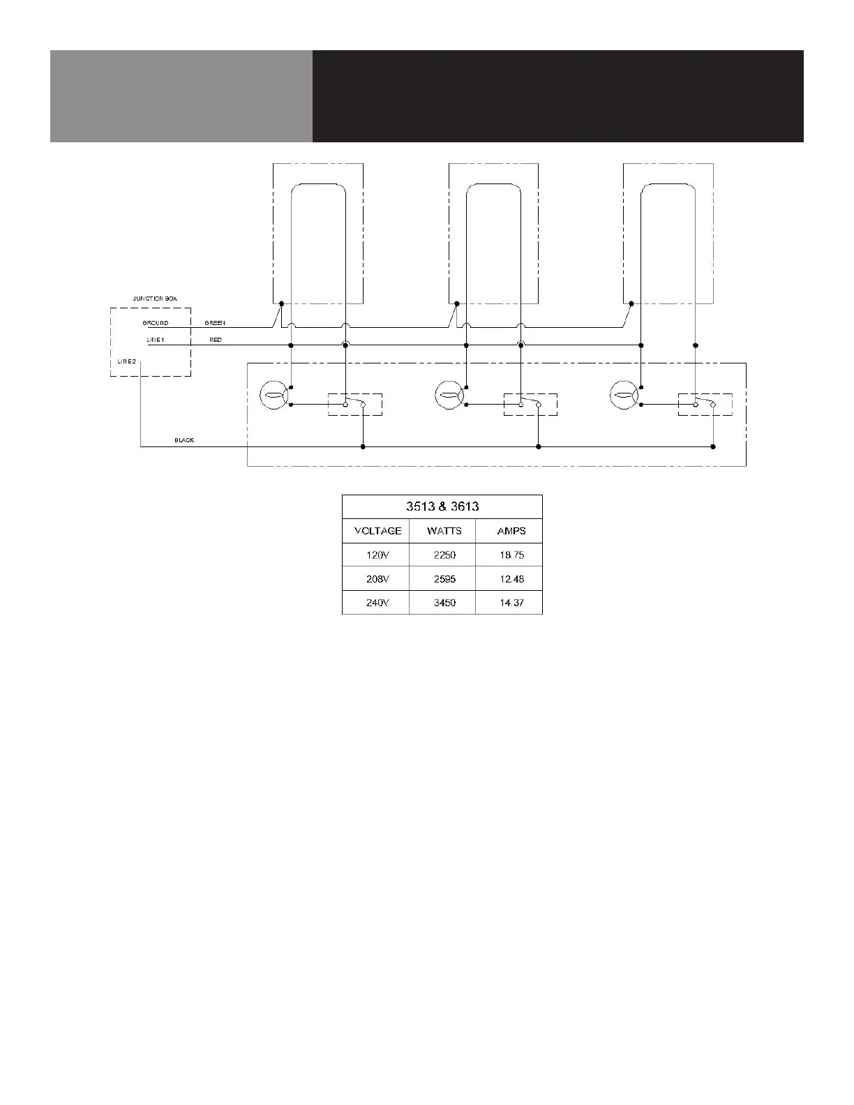
6 OM-3000 SERIES ELECTRIC HOT FOOD HOLDING UNIT
Electrical Diagram
3513 & 3613 Models

Bekijk gratis de handleiding van Randell 3600, stel vragen en lees de antwoorden op veelvoorkomende problemen, of gebruik onze assistent om sneller informatie in de handleiding te vinden of uitleg te krijgen over specifieke functies.

Productinformatie

MerkRandell
Model3600
CategorieNiet gecategoriseerd
TaalNederlands
Grootte1706 MB