Handleiding
Je bekijkt pagina 5 van 14

- 4 -
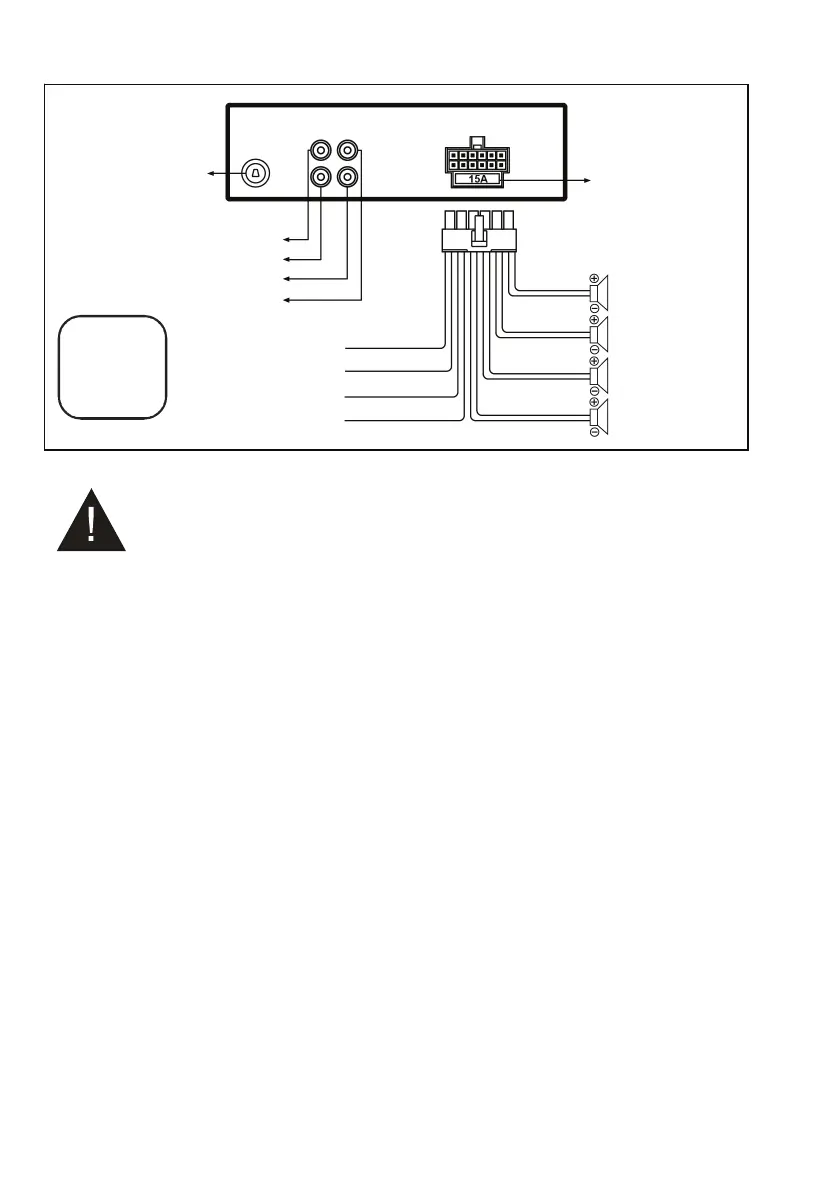
Wiring Connections
WIRING
DIAGRAM
- Only use speakers with 4 ohms impedance.
- The maximum current of the auto antenna is 200mA.
Removal of the Main Unit
1. Remove the plastic trim from the main unit.
2. Insert a bracket key into the left and the right sides of the main unit and draw the unit out of the
mounting sleeve.
Rear Left Speaker
Purple / Black
Radio Antenna Socket
White: Front Left CH RCA Audio Output
Red: Front Right CH RCA Audio Output
White: Rear Left CH RCA Audio Output
Red: Rear Right CH RCA Audio Output
FUSE 15A
GND(Black)
ACC (Red)
Power B+(Yellow)
ANT(Blue)
Rear Right Speaker
Front Right Speaker
Front Left Speaker
Purple
Gray
Gray / Black
White
White / Black
Green
Green / Black
CAUTION
+12V DC
NEGATIVE
GROUND
Bekijk gratis de handleiding van Pyle PLMRKT8, stel vragen en lees de antwoorden op veelvoorkomende problemen, of gebruik onze assistent om sneller informatie in de handleiding te vinden of uitleg te krijgen over specifieke functies.
Productinformatie
Merk | Pyle |
Model | PLMRKT8 |
Categorie | Speaker |
Taal | Nederlands |
Grootte | 1023 MB |