Premium Levella PRNS7170DX handleiding
Handleiding
Je bekijkt pagina 9 van 24

User’s Manual
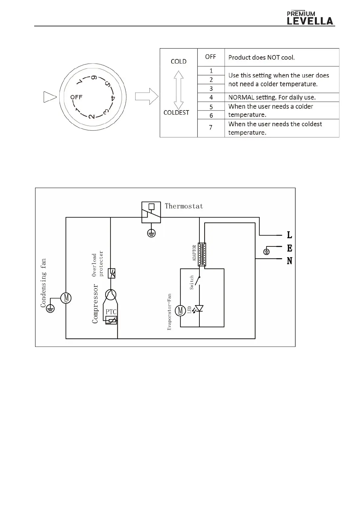
Note: The cooler should not work more than 24 hours in coldest function 7, please turn the knob
back to 4 in time.
Ⅴ、Electrical Connection
Electronic diagram
WARNING
1. Do not, under any circumstances, cut or remove the third (ground) prong from the power
cord supplied.
This appliance is not designed to be used with an inverter.
The cord should be secured behind the appliance and not left exposed or dangling to prevent
accidental injury.
2. Never unplug the cooler by pulling the power cord. Always grip the plug firmly and pull straight
out from the receptacle.
3. Do not use an extension cord with this appliance. If the power cord is too short, have a qualified
electrician or service technician install an outlet near the appliance. Use of an extension cord can
negatively affect the performance of the unit.
4. Improper use of the grounded plug can result in the risk of electrical shock. If the power cord is
damaged, have it replaced by an authorized service center.
Bekijk gratis de handleiding van Premium Levella PRNS7170DX, stel vragen en lees de antwoorden op veelvoorkomende problemen, of gebruik onze assistent om sneller informatie in de handleiding te vinden of uitleg te krijgen over specifieke functies.
Productinformatie
Merk | Premium Levella |
Model | PRNS7170DX |
Categorie | Koelkast |
Taal | Nederlands |
Grootte | 3649 MB |