Premium Levella PRNS6070DX handleiding
Handleiding
Je bekijkt pagina 20 van 24

Manual de Usuario
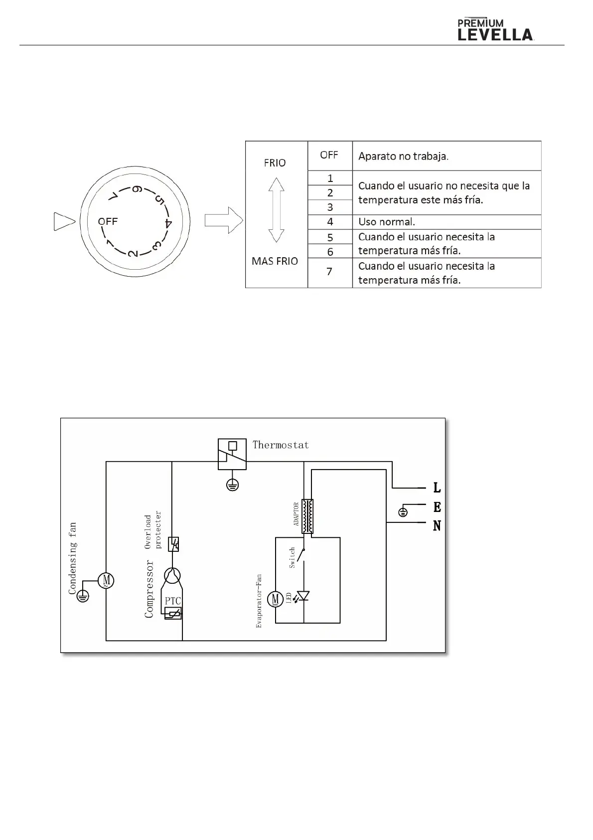
Ⅳ、Operación de la perilla de control de temperatura
1. La temperatura dentro del gabinete se puede controlar con la perilla de control de temperatura.
2. La perilla debe mantenerse en posición vertical normalmente para ajustar la temperatura.
Nota: El enfriador no debe funcionar más de 24 horas en la función más fría 7, vuelva a girar la perilla
a 4 a tiempo
Ⅴ、Conexión eléctrica
Diagrama electrónico
ADVERTENCIA
1. En ninguna circunstancia, corte o retire la tercera clavija de conexión a tierra del cable de
alimentación suministrado.
Este aparato no está diseñado para ser utilizado con un inversor.
El cable debe asegurarse detrás del aparato y no dejarse expuesto o colgando para evitar lesiones
accidentales.
2. Nunca desenchufe el refrigerador tirando del cable de alimentación. Sujete siempre el enchufe
con firmeza y sáquelo del receptáculo.
3. No use un cable de extensión con este aparato. Si el cable de alimentación es demasiado corto,
solicite a un electricista calificado o a un técnico de servicio que instale un tomacorriente cerca del
Bekijk gratis de handleiding van Premium Levella PRNS6070DX, stel vragen en lees de antwoorden op veelvoorkomende problemen, of gebruik onze assistent om sneller informatie in de handleiding te vinden of uitleg te krijgen over specifieke functies.
Productinformatie
Merk | Premium Levella |
Model | PRNS6070DX |
Categorie | Koelkast |
Taal | Nederlands |
Grootte | 3649 MB |