Phoenix Contact CSS 1.5-1/3-EMC handleiding
Handleiding
Je bekijkt pagina 114 van 152

CONTACTRON Speed Starter
114 / 150 Phoenix Contact
109908_en_02
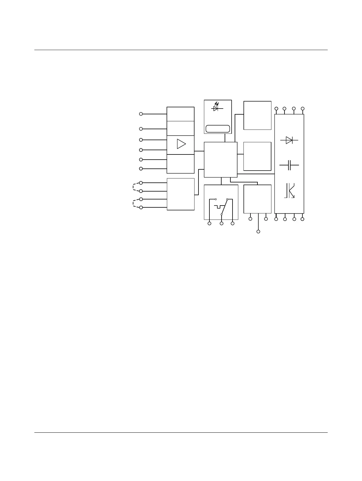
14.3 Block diagram
14.3.1 1-phase
STO
24V OUT
STO -
GND
STO +
14 11 12
U V W PE
24V OUT
Speed 1/R
Speed 2/L
GND
DI in
Reset
Digital Out
Reset
DO
Feedback & ERR
Speed 1
Speed 2
Current
Ramp
Set / Reset
PTC
PTO
AI
10V OUT
AGND
PTC/AI
Display
24V OUT
PWR/
S
TO/ERR
L/L1 N/L2 PE PE
Logic
Bekijk gratis de handleiding van Phoenix Contact CSS 1.5-1/3-EMC, stel vragen en lees de antwoorden op veelvoorkomende problemen, of gebruik onze assistent om sneller informatie in de handleiding te vinden of uitleg te krijgen over specifieke functies.
Productinformatie
| Merk | Phoenix Contact |
| Model | CSS 1.5-1/3-EMC |
| Categorie | Niet gecategoriseerd |
| Taal | Nederlands |
| Grootte | 11973 MB |







