Phoenix Contact CSS 0.75-3/3-EMC handleiding
Handleiding
Je bekijkt pagina 35 van 152

Wiring
109908_en_02 Phoenix Contact 35 / 150
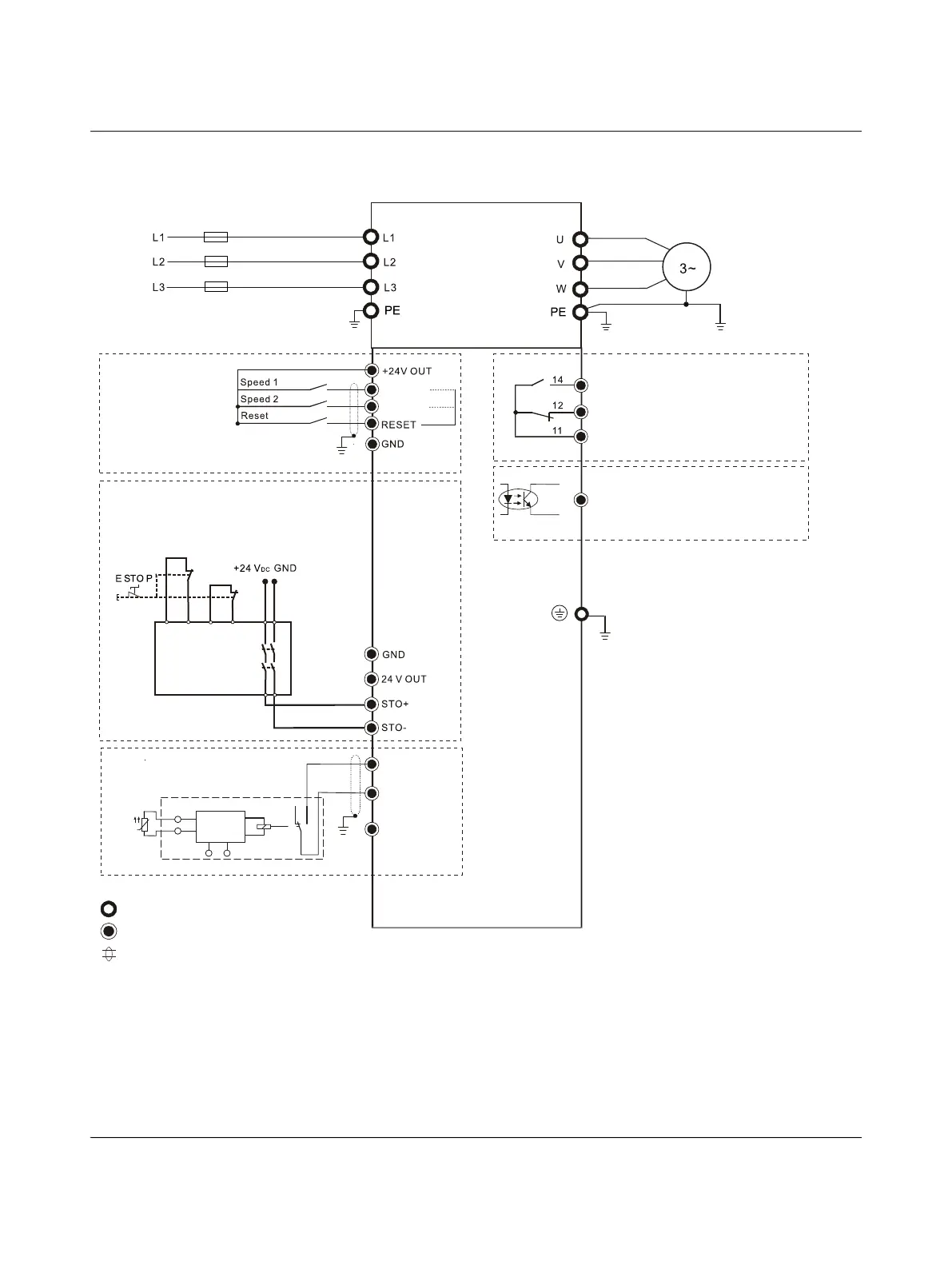
Figure 5-6 Input: 3-phase load
SPEED2/L
SPEED1/R
PTC/AI
10V OUT
AGND
1412
11
A2A1
T1
T2
PTC
Motor
Circuit breaker or fuse
N/O contact (NO)
Floating changeover contact
Digital output 24 V DC
Main circuit terminals
Control terminals
Shielded conductors and cables
Safety relay
N/C contact (NC)
Bekijk gratis de handleiding van Phoenix Contact CSS 0.75-3/3-EMC, stel vragen en lees de antwoorden op veelvoorkomende problemen, of gebruik onze assistent om sneller informatie in de handleiding te vinden of uitleg te krijgen over specifieke functies.
Productinformatie
| Merk | Phoenix Contact |
| Model | CSS 0.75-3/3-EMC |
| Categorie | Niet gecategoriseerd |
| Taal | Nederlands |
| Grootte | 11973 MB |







