Handleiding
Je bekijkt pagina 6 van 26

3
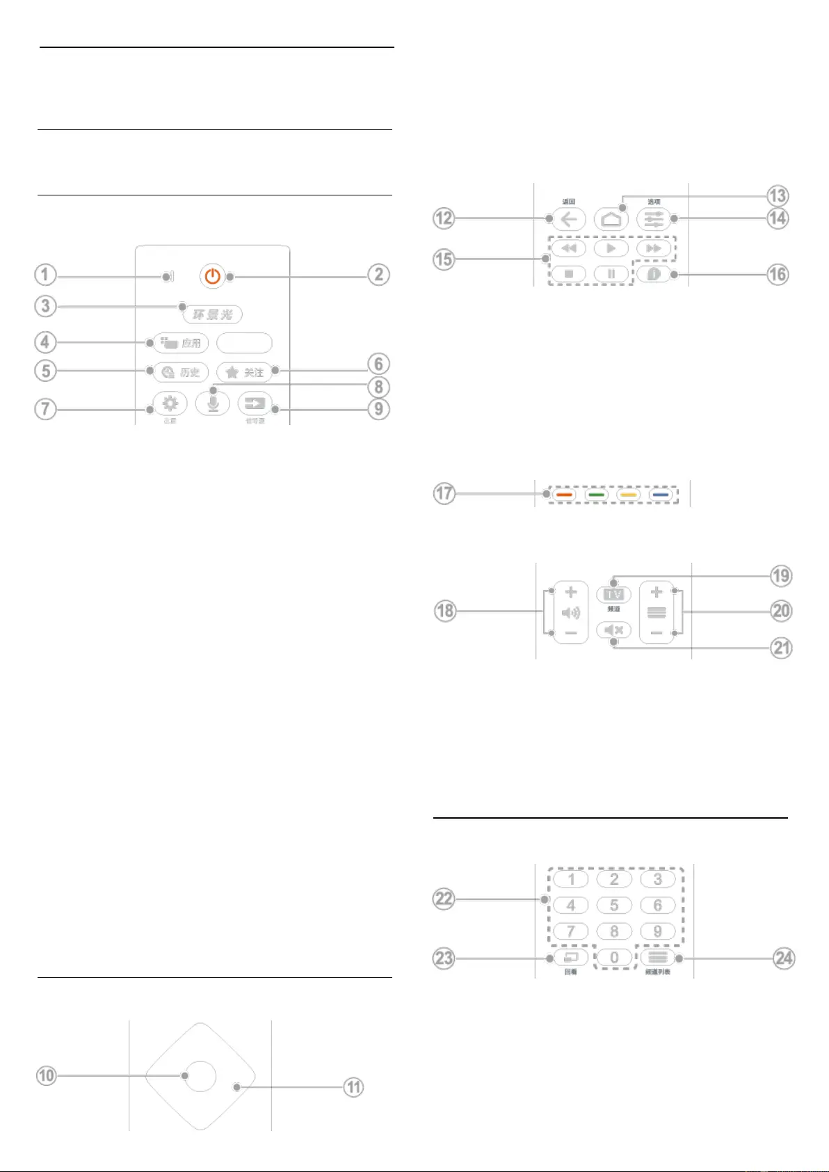
遥控器
6
顶部
(1) - 指示灯及语音输入孔
在用户进行语音控制命令时,需要在此处进行输入语音,
指示灯亮起。
(2) -
(待机-开机)
- 在电视开机时将其切换到待机
- 在电视待机时开机
- 当电视开启照明模式后,则会关闭屏幕进入到照明
模式。
(3) - 环景光
当电视"环景光"关时:按遥控器"环景光"键,电视开启环
景光,默认为上一次设置的模式:当电视"环景光"开时:按
遥控器"环景光" 键,电视关闭环景光;长按遥控器"环景
光"键2秒,开启环景光并弹出设置菜单。当电视进入到照
明模式后,按遥控器“环景光”键可开启或关闭环景光。
(4) - 应用
打开应用商城。
(5) - 历史
打开观看历史节目列表。
(6) - 关注
打开我的收藏。
(7) - 设置
打开设置。
(8) - 语音
按下语音键开始输入语音,语音输入完毕松开语音键。
(9) - 信号源
打开信号源选项,可以对信号源进行切换和设置 。
(10) - OK/确认键
确认输入或选择,以及在观看电视时显示频道列表。
(11) - 导航按钮 导航菜单
- 导航菜单。在互联网电视首页开启时,用于光标在对象
间移动。
-当电视进入照明模式后,左右键切换环景光颜色,上下键
调整环景光亮度。
(12) - 返回
返回到上一个菜单或退出当前应用。
(13) - 智能电视
进入智能电视主界面。
(14) - 选项
访问与当前活动或选择相关的菜单选项。
(15) - 播放按钮
控制媒体播放。
(16) - 帮助
开启使用说明书。
(17) - 彩色按钮
多功能键。
(18) - 音量+/-
提高和降低音量。
(19) - 频道
切换至电视功能。
(20) - 频道+/-
电视下切换上一个或下一个频道。
(21) - 静音
静音或恢复音量。
底部
中期
(22) - 0-9数字按钮
选择一个频道或输入频道的数字。
(
23) - 回看
跳转到上次观看的电视频道。
(24) - 频道列表
打开电视频道列表。
3.1遥控器
Bekijk gratis de handleiding van Philips 55PUF7696, stel vragen en lees de antwoorden op veelvoorkomende problemen, of gebruik onze assistent om sneller informatie in de handleiding te vinden of uitleg te krijgen over specifieke functies.
Productinformatie
| Merk | Philips |
| Model | 55PUF7696 |
| Categorie | Televisie |
| Taal | Nederlands |
| Grootte | 7045 MB |







