Perlick BC96RT-3 handleiding

12 pagina's
PDF beschikbaar

Handleiding

Je bekijkt pagina 6 van 12
Flat Top Bottle Coolers Installation & Operation Manual
Printed in USA 6
Perlick is committed to continuous improvement. Therefore, we reserve the right to change specications without prior notice.
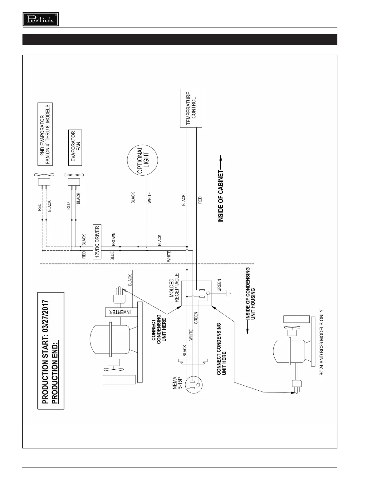
WIRING DIAGRAM
-
FLAT TOP BOTTLE COOLERS

Bekijk gratis de handleiding van Perlick BC96RT-3, stel vragen en lees de antwoorden op veelvoorkomende problemen, of gebruik onze assistent om sneller informatie in de handleiding te vinden of uitleg te krijgen over specifieke functies.

Productinformatie

MerkPerlick
ModelBC96RT-3
CategorieKoelkast
TaalNederlands
Grootte2493 MB