Pantum BP4200DW handleiding

61 pagina's
PDF beschikbaar

Handleiding

Je bekijkt pagina 18 van 61
3
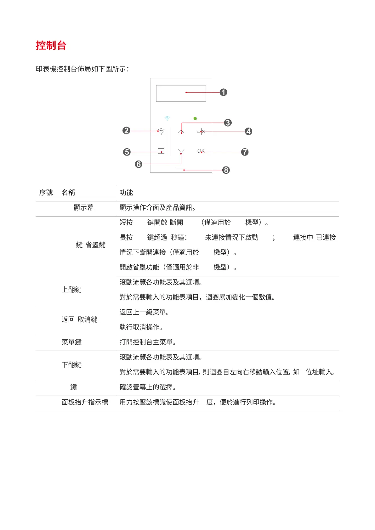
1
LCD
2
Wi-Fi /
Wi-Fi / Wi-Fi Wi-Fi
Wi-Fi 2 Wi-Fi WPS Wi-Fi /
Wi-Fi
Wi-Fi
3
4
/
5
6
IP
7
OK
8
45

Bekijk gratis de handleiding van Pantum BP4200DW, stel vragen en lees de antwoorden op veelvoorkomende problemen, of gebruik onze assistent om sneller informatie in de handleiding te vinden of uitleg te krijgen over specifieke functies.

Productinformatie

MerkPantum
ModelBP4200DW
CategoriePrinter
TaalNederlands
Grootte10606 MB