Panduit VS-AVT-C08-L10 handleiding
Handleiding
Je bekijkt pagina 8 van 21

© Panduit Corp. 2021
INSTRUCTION MANUAL
VeriSafe AVT
B21052_15 Page: 7 of 20 2-2022
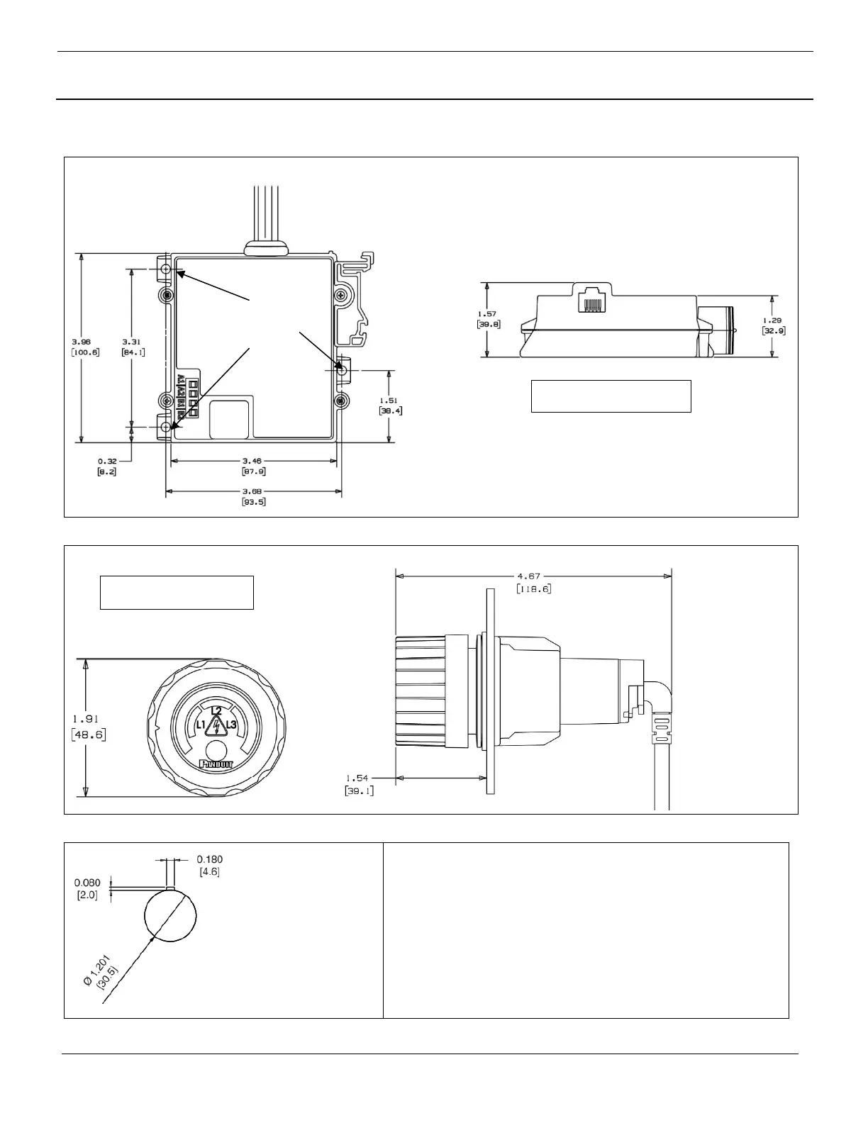
Dimensions
Isolation Module
Indicator Module
Panel Knockout
Units – inches [mm]
The Indicator Module is designed for use with a standard 30 mm
knockout with notch.
The notch should be positioned on top, as shown in the image.
The VeriSafe AVT indicator module can be installed into a
maximum panel thickness of 0.25” [6.35]
MOUNTING
HOLES (3)
Units = inches [mm]
Units = inches [mm]
Bekijk gratis de handleiding van Panduit VS-AVT-C08-L10, stel vragen en lees de antwoorden op veelvoorkomende problemen, of gebruik onze assistent om sneller informatie in de handleiding te vinden of uitleg te krijgen over specifieke functies.
Productinformatie
| Merk | Panduit |
| Model | VS-AVT-C08-L10 |
| Categorie | Niet gecategoriseerd |
| Taal | Nederlands |
| Grootte | 7007 MB |







