Handleiding
Je bekijkt pagina 11 van 64

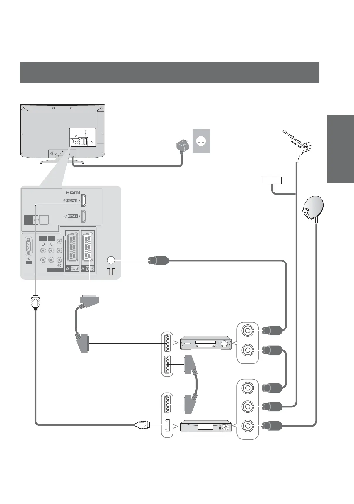
Basic Connection
Quick Start Guide
11
RF OUT
RF IN
RF IN
RF OUT
RF IN
DIGITAL
AUDIO
OUT
PC
COMPONENT
AUDIO
IN
AUDIO
OUT
Y
P
B
P
R
L
R
L
R
2
1
DVD Recorder
or VCR
Terrestrial
aerial
Mains lead
Rear of the TV
Set top box
AC 220-240 V
50 Hz
RF cable
RF cable
RF cable
RF cable
TV, DVD Recorder / VCR and Set top box
SCART cable
(fully wired)
SCART cable
(fully wired)
Example 3
Connecting DVD Recorder / VCR and Set top box
Fully wired HDMI
compliant cable
Cable
Bekijk gratis de handleiding van Panasonic TX-L37S10L, stel vragen en lees de antwoorden op veelvoorkomende problemen, of gebruik onze assistent om sneller informatie in de handleiding te vinden of uitleg te krijgen over specifieke functies.
Productinformatie
| Merk | Panasonic |
| Model | TX-L37S10L |
| Categorie | Televisie |
| Taal | Nederlands |
| Grootte | 12194 MB |







