Handleiding
Je bekijkt pagina 22 van 50

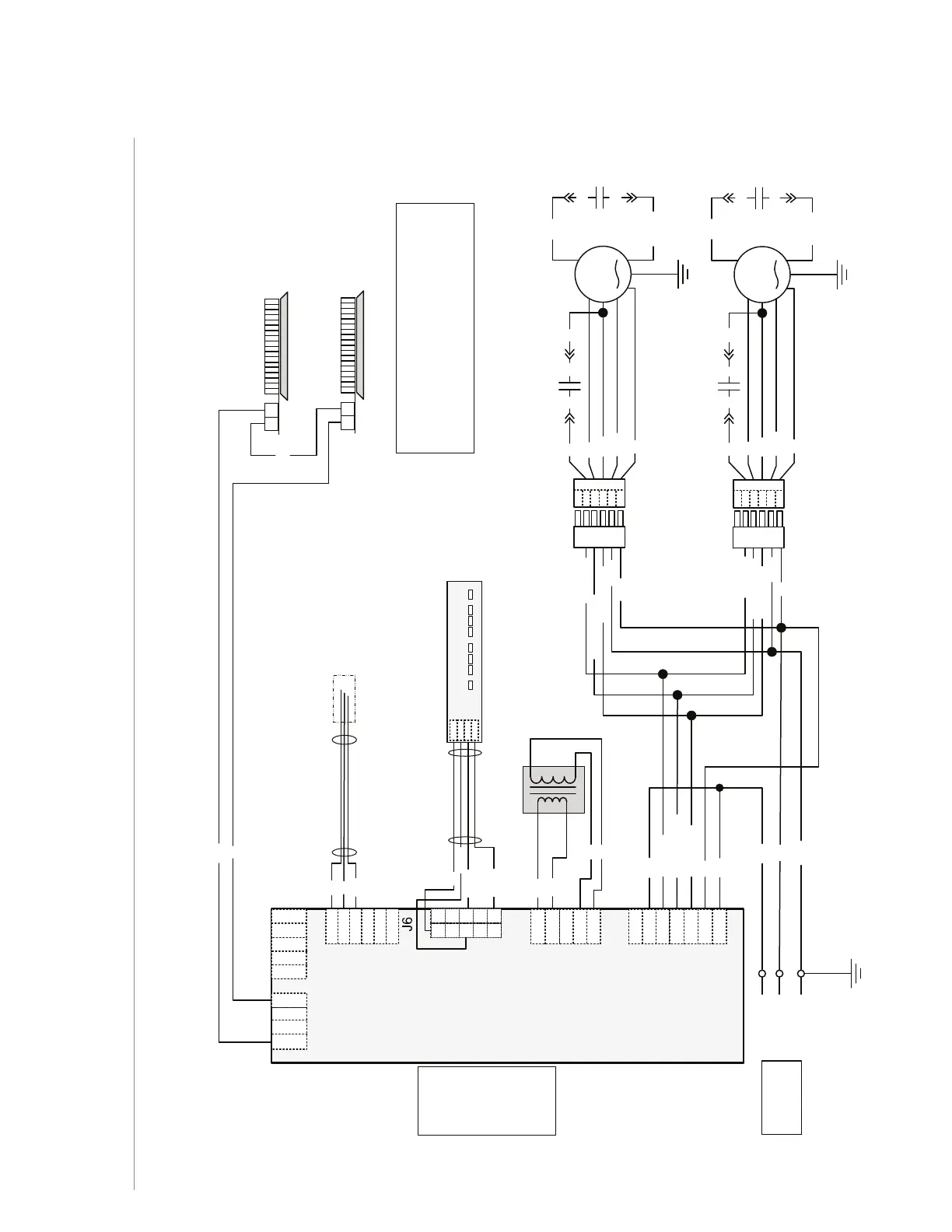
INSTALLATION MANUAL
WIRING DIAGRAM
22
BK
G/Y
BK
24 V
Class 2
W
R
BL
BL
R
R
BK (High)
BK
O (Medium)
O (Medium)
BK (High)
R (Low)
R (Low)
G/Y
W
W
W
Transformer
LED
2 1
LED
2 1
BK
Line
Neutral
Ground
120 VAC
Supply
Heatshrink
W
R
BK
J2
J8
5
4
3
2
1
6
J4
J1
1
2
3
4
5
3
4
5
6
7
1
2
1
2
3
4
5
3
2
1
4
Control Board
J7
1
3
5
7
9
2
4
6
8
10
Power, Motor
Transformer
LED
ADA Override
User Interface
R
GRY
GRY
GRY
User interface
1
2
1
2
3
4
CN3
W
BN
BN/W
BK
O
G/Y
1
2
3
5
4
6
R
R
C
R Y
BK
BK
Low speed
capacitor
BN
BN/W
1
2
3
5
4
6
R
R
C
Low speed
capacitor
COLOR CODE
BK
BL
BN
BN/W
GRY
BLACK
BLUE
BROWN
BROWN/WHITE
GREY
G/Y
O
R
W
Y
GREEN/YELLOW
ORANGE
RED
WHITE
YELLOW
REF: 990729484_REV-A
The control
board is
viewed
with the
connectors
on the
opposite
side of
the board.
M
M
W
BK
O
G/Y
RY
BK
BK
O (Medium)
BK (High)
R (Low)
G/Y
W
ERLE1 AND NRLE1 SERIES (SECOND GENERATION)
Bekijk gratis de handleiding van NuTone NRLE130, stel vragen en lees de antwoorden op veelvoorkomende problemen, of gebruik onze assistent om sneller informatie in de handleiding te vinden of uitleg te krijgen over specifieke functies.
Productinformatie
| Merk | NuTone |
| Model | NRLE130 |
| Categorie | Afzuigkap |
| Taal | Nederlands |
| Grootte | 7235 MB |







