Handleiding
Je bekijkt pagina 58 van 64

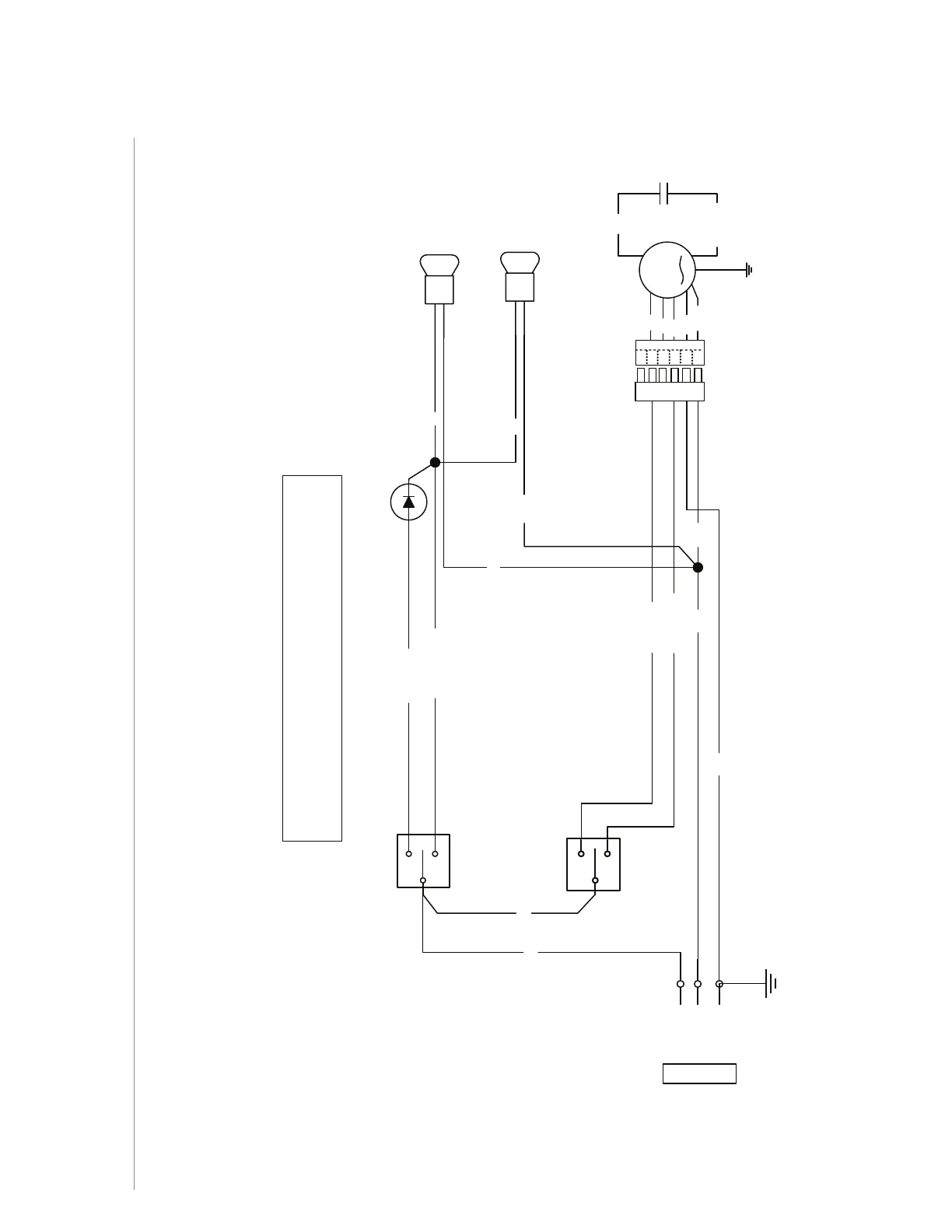
MANUEL D’INSTALLATION
SCHÉMA ÉLECTRIQUE
26
V/J
BLA
N
O
R
MOTEUR DU
VENTILATEUR
BR
BR/BLA
V/J
R (Basse)
N (Haute)
BLA
120 V CA
Ligne
Neutre
Mise à
la terre
N
N
Commutateur
d’éclairage
J (Basse)
BLE (Haute)
BLA
BLA
N
N
CODE DES COULEURS
BLA
BLE
BR
BLANC
BLEU
BRUN
O
R
V/J
ORANGE
ROUGE
VERT/JAUNE
BR/BLA
J
N
BRUN/BLANC
JAUNE
NOIR
Commutateur
du moteur
BLA
1
2
3
4
5
6
1
1
2
2
SÉRIES BCS3 ET NCS3
Bekijk gratis de handleiding van NuTone NCDA130SS, stel vragen en lees de antwoorden op veelvoorkomende problemen, of gebruik onze assistent om sneller informatie in de handleiding te vinden of uitleg te krijgen over specifieke functies.
Productinformatie
| Merk | NuTone |
| Model | NCDA130SS |
| Categorie | Afzuigkap |
| Taal | Nederlands |
| Grootte | 8713 MB |







