Numatic WVD570 handleiding

52 pagina's
PDF beschikbaar

Handleiding

Je bekijkt pagina 50 van 52
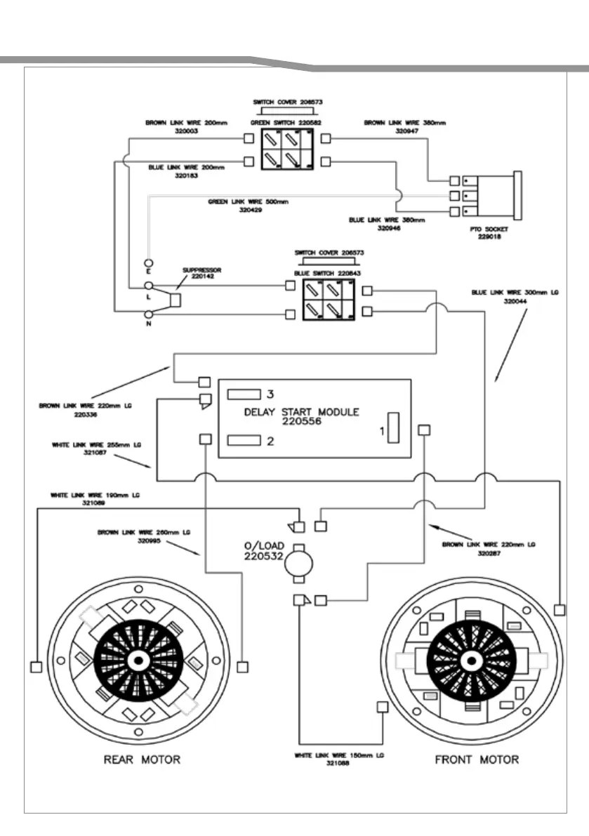
14” Duplex PTO 120V
WD-0259

Bekijk gratis de handleiding van Numatic WVD570, stel vragen en lees de antwoorden op veelvoorkomende problemen, of gebruik onze assistent om sneller informatie in de handleiding te vinden of uitleg te krijgen over specifieke functies.

Productinformatie

MerkNumatic
ModelWVD570
CategorieStofzuiger
TaalNederlands
Grootte8696 MB