Numatic WV900 handleiding

52 pagina's
PDF beschikbaar

Handleiding

Je bekijkt pagina 47 van 52
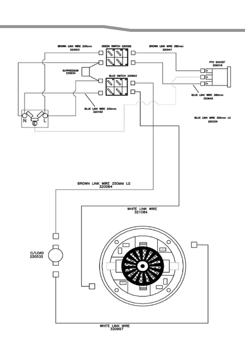
14” Simplex AP/PH 220V
WD-0288

Bekijk gratis de handleiding van Numatic WV900, stel vragen en lees de antwoorden op veelvoorkomende problemen, of gebruik onze assistent om sneller informatie in de handleiding te vinden of uitleg te krijgen over specifieke functies.

Productinformatie

MerkNumatic
ModelWV900
CategorieStofzuiger
TaalNederlands
Grootte8696 MB