Numatic WV570 handleiding

52 pagina's
PDF beschikbaar

Handleiding

Je bekijkt pagina 44 van 52
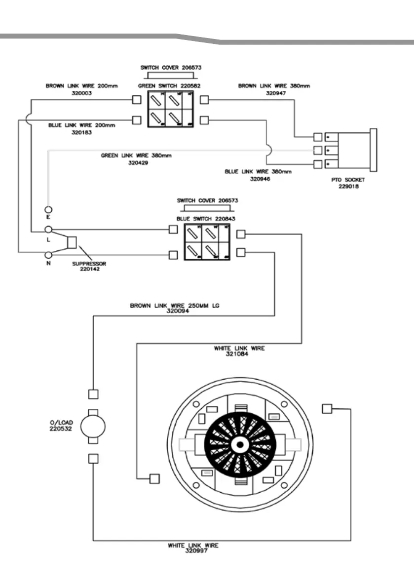
14” Simplex AP/PH 240V/120V
WD-0244

Bekijk gratis de handleiding van Numatic WV570, stel vragen en lees de antwoorden op veelvoorkomende problemen, of gebruik onze assistent om sneller informatie in de handleiding te vinden of uitleg te krijgen over specifieke functies.

Productinformatie

MerkNumatic
ModelWV570
CategorieStofzuiger
TaalNederlands
Grootte8696 MB