Numatic PRP180 handleiding
Handleiding
Je bekijkt pagina 8 van 24

Replacement parts - Ersatzteile - Pièces Détachées - Reserve Onderdelen -
Peças de substituição - Ricambi - Repuestos
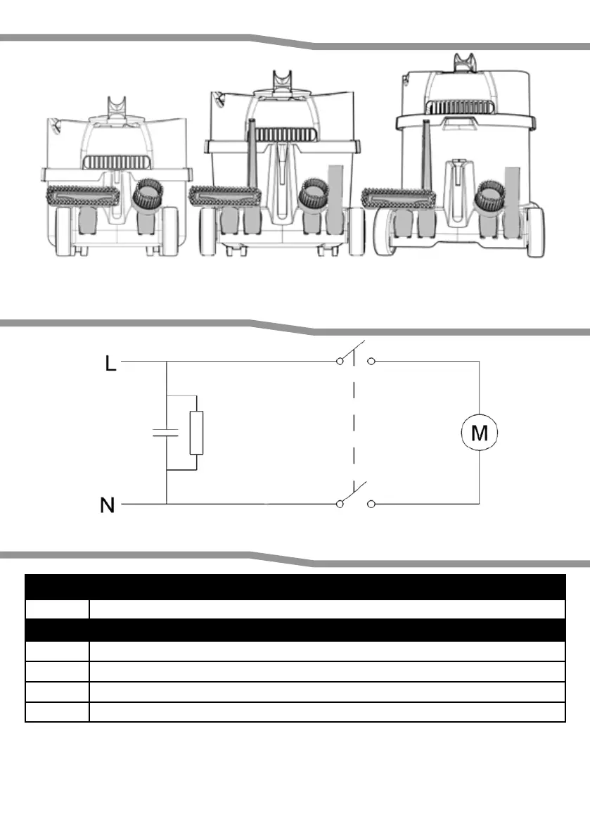
Schematic Diagram - Schaltplan - Schéma électrique - Bedradingsschema -
Diagrama esquemático - Schema apparecchio - Esquema eléctrico
Tool Tidy
PSP 180-11 PSP 240-11 PSP 370-11
TriTex Filter
604165 TriTex Filter
HepaFlo Dust Bags
909291 180 / 240 Drum NVM 1CH Dust Bags (Pack of 3)
907076 180 / 240 Drum NVM 1CH Dust Bags (Pack of 5)
907075 180 / 240 Drum NVM 1CH Dust Bags (Pack of 10)
604016 370 Drum NVM 2BH Dust Bags (Pack of 10)
Bekijk gratis de handleiding van Numatic PRP180, stel vragen en lees de antwoorden op veelvoorkomende problemen, of gebruik onze assistent om sneller informatie in de handleiding te vinden of uitleg te krijgen over specifieke functies.
Productinformatie
Merk | Numatic |
Model | PRP180 |
Categorie | Stofzuiger |
Taal | Nederlands |
Grootte | 4957 MB |
Caratteristiche Prodotto
Kleur van het product | Zwart |
Gewicht | 6000 g |
Breedte | 360 mm |
Diepte | 360 mm |
Hoogte | 340 mm |