Numatic NTD750 handleiding

24 pagina's
PDF beschikbaar

Handleiding

Je bekijkt pagina 21 van 24
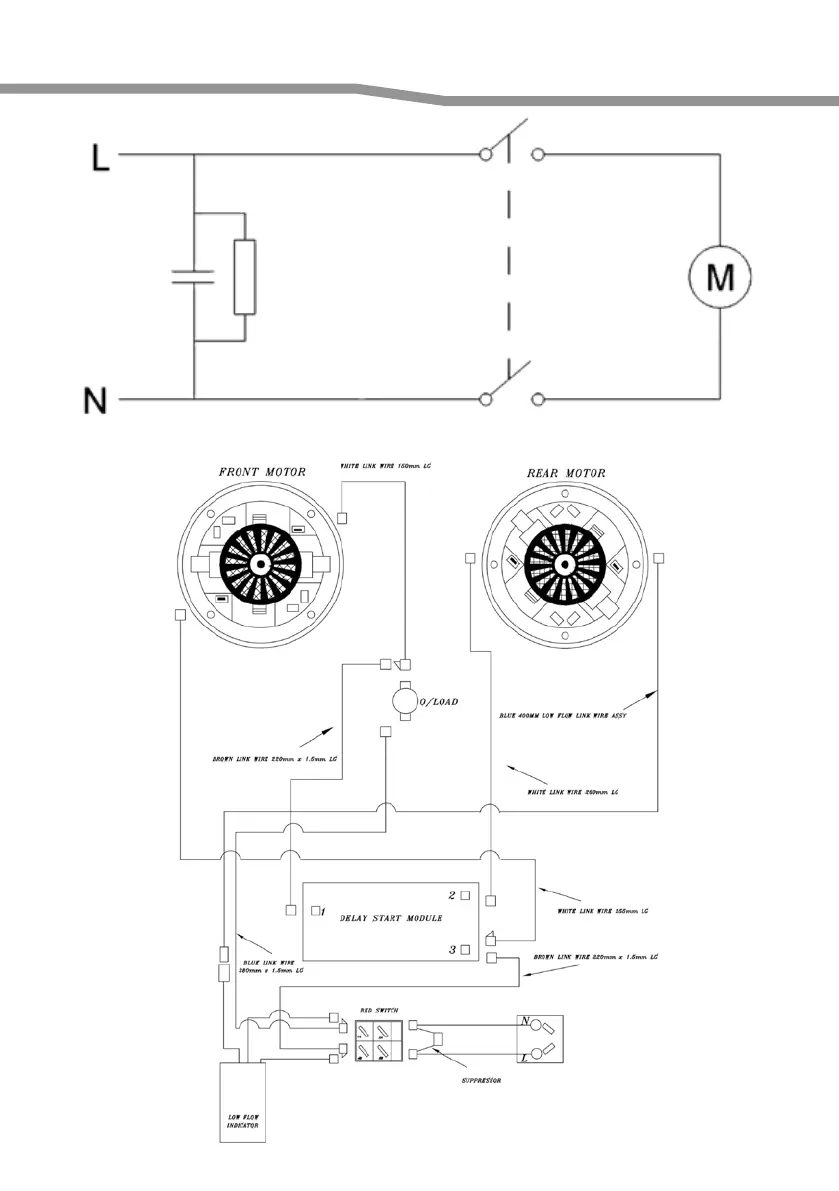
Schematic Diagram - Schaltplan - Schéma électrique - Bedradingsschema -
Diagrama esquemático - Schema apparecchio - Esquema eléctrico
NT
NTD

Bekijk gratis de handleiding van Numatic NTD750, stel vragen en lees de antwoorden op veelvoorkomende problemen, of gebruik onze assistent om sneller informatie in de handleiding te vinden of uitleg te krijgen over specifieke functies.

Productinformatie

MerkNumatic
ModelNTD750
CategorieStofzuiger
TaalNederlands
Grootte4382 MB