Numatic MED570 handleiding

40 pagina's
PDF beschikbaar

Handleiding

Je bekijkt pagina 36 van 40
36
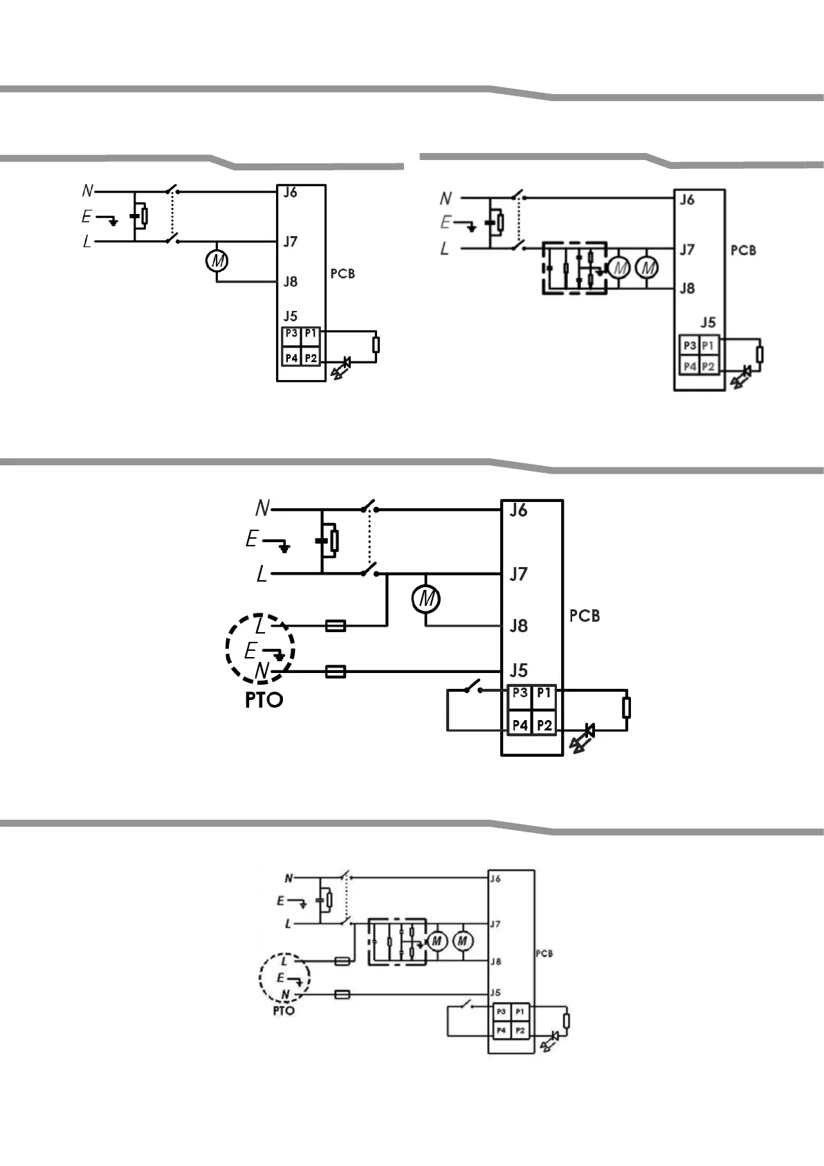
MES RANGE MED RANGE
MED-A RANGE
Schematic Diagram, Schaltplan, Schéma électrique, Bedradingsschema,
Diagrama esquemático, Schema apparecchio, Esquema eléctrico, Schemat
MES-A RANGE
DRW-22515 (A14.00)
DRW-20424 (A21.00)

Bekijk gratis de handleiding van Numatic MED570, stel vragen en lees de antwoorden op veelvoorkomende problemen, of gebruik onze assistent om sneller informatie in de handleiding te vinden of uitleg te krijgen over specifieke functies.

Productinformatie

MerkNumatic
ModelMED570
CategorieStofzuiger
TaalNederlands
Grootte9826 MB